服务热线
021-31262005
 
 
美国尼科NICO进口不锈钢潜水电泵零部件由高强度、耐磨损腐蚀的新式不锈钢材料制造,结构设计紧凑、制造工艺精良,外形美观大方,具备高效、节能、稳定、轻便的特点。同时简单耐用,安全可靠,方便携带安装,维护便捷,并与智能控制箱配合使用,具备超温、短路、过载、欠压的保护作用。不锈钢潜水电泵,潜心研究并生产制造的新型外壳、过流部件及外部零件材质均采用不锈钢材料(304、316、304L、316L)制成的潜水型排污电泵。
公称通径:25~500mm
流量范围:8-2650m³/h
扬程范围:7~36m
功率范围:2.2-30kw
转速范围:740-2900r/min
温度范围:-20℃~120℃
工作压力:≤1.6Mpa
泵体材质:WCB、304、316、四氟
1、标准件可与采矿业最常见的渣浆泵设计完全互换。
2、水力性能优良,效率高,磨耗率低。
3、需要时,只需卸下前盖板螺栓并从前盖上滑下,即可轻松更换耐磨衬板和叶轮。
4,可选的外部清洁水润滑可作为一种选择,以适应产品润滑不可行的应用。
5、有多种机械密封可替代填料压盖轴封。

| 序号/Number | 名称/Name | 材料/Material | 
| 1 | 上盖/Top cover | 不锈钢Stainless steel | 
| 2 | 热保护器/Protector | |
| 3 | 上轴承支架/Upper bearing seat | |
| 4 | 机座/Rotator | 不锈钢Stainless steel | 
| 5 | 定子/Stator | |
| 6 | 转子/Rotor | |
| 7 | 下轴承支架/Below bearing seat | 不锈钢Stainless steel | 
| 8 | 叶轮上盖/ Impeller cover | 不锈钢Stainless steel | 
| 9 | 叶轮/Impeller | 不锈钢Stainless steel | 
| 10 | 蜗壳/Volute casing | 不锈钢Stainless steel | 
| 11 | 过滤网/Filter gauze | 不锈钢Stainless steel | 

| 性能 型号 | 流量 m3/h | 扬程 m | 功率 kw | 出水口径 | 转速 r/min | 电压 v | 泵外径 mm | 电流 A | 电缆长度m | 重量 ㎏ | |
| mm | inch | ||||||||||
| DB6-25-1.1 | 6 | 25 | 1.1 | 25 | 1.0″ | 2860 | 380 | 240 | 2.73 | 10 | 25 | 
| DB10-18-1.1 | 10 | 18 | 1.1 | 32 | 1.25″ | 2860 | 380 | 250 | 2.73 | 10 | 25 | 
| DB15-14-1.1 | 15 | 14 | 1.1 | 40 | 1.5″ | 2860 | 380 | 235 | 2.73 | 10 | 25 | 
| DB25-9-1.1 | 25 | 9 | 1.1 | 50 | 2″ | 2860 | 380 | 260 | 2.73 | 10 | 25 | 
| DB40-6-1.1 | 40 | 6 | 1.1 | 65 | 2.5″ | 2860 | 380 | 290 | 2.73 | 10 | 25 | 
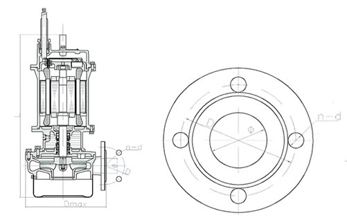
| 尺寸 型号 | L mm | Dmax mm | D mm | n—d mm | Φ mm | G inch | W ㎏ | 
| DB6-25-1.1 | 470 | 240 | 80 | 4-Φ14 | Φ25 | 1.0″ | 25 | 
| DB10-18-1.1 | 480 | 250 | 90 | 4-Φ14 | Φ32 | 1.25″ | 25 | 
| DB15-14-1.1 | 498 | 235 | 100 | 4-Φ14 | Φ40 | 1.5″ | 25 | 
| DB25-9-1.1 | 530 | 260 | 110 | 4-Φ14 | Φ50 | 2″ | 25 | 
| DB40-6-1.1 | 571 | 290 | 130 | 4-Φ14 | Φ65 | 2.5″ | 25 | 

介质温度:小于60°C;重力1.0~1.3kg/m³;pH值在5~9之间。
对于没有内部重力流循环冷却系统的泵,其电机露出液面小于1/3。
大流量无堵塞液压元件,大大提高废水通过能力。
双通道系列机械密封采用硬质防腐碳化钨制成,经久耐用、耐磨。
油腔内装有油水探头,保证泵在机械密封长期使用磨损时的安全。
浮球开关根据水位变化自动控制水泵启停。
可安装控制面板监控漏水、过载和超温,确保泵的安全。
固定式自动联轴器安装或移动式安装可选。