服务热线
021-31262005


美国尼科NICO进口化工氟塑料泵系单级单吸式钢衬氟塑料、聚丙烯料等化工离心泵(简称IHF离心泵)是按国际标准并结合非金属泵的工艺设计,采用龟甲网衬里技术制造,和其它同类泵相比具有衬里防脱落、防开裂的优点。泵体采用金属外壳内衬聚全氟乙丙烯(F46)、聚偏二氟乙烯(PVF2)、聚丙烯(PP)等,泵盖、叶轮和轴套均用金属嵌件外包氟塑料整体烧结压制而成,轴封采用外装式机械密封,其密封性较好。泵的进出口均采用铸钢体加固,以增强泵的耐压性。实际使用显示,该泵具有耐腐、耐温、不老化、机械强度高、运转平稳、结构先进合理、密封性能严密可靠、拆卸检修方便、使用寿命长等优点。和同材质全塑型防腐泵相比,更具有抗蠕变性、安装性能及抗热变形性能好的优势。
公称通径:25-300(mm)
流量范围:0.8-300(m3/h)
扬程范围:5-75(m)
功率范围:0.75-45kw
转速范围:1450-2900r/min
防爆标志:ExdeIIBT4 DIP21 TA T6
防护等级:IP54/IP65
额定电压:220v、380v,660v,1140v
温度范围:-20℃~120℃
工作压力:≤1.6Mpa
泵体材质:铸铁、WCB、304、316、316L
该泵规格齐全,共有150个规格,居同行业之先。输送流量范围为:3~1000m3/h,使用温度为:-20~110℃。目前已被广泛应用于:化工生产中的腐蚀性介质输送、有色金属冶炼中的电解液输送及制药、石油、电力、电镀、染料、农药、造纸、食品、纺织,冶炼、钛白粉、盐化工、钾复肥等众多行业。可长期输送任意浓度的硫酸、盐酸、氢氟酸、硝酸、王水、强碱、强氧化剂、有机溶剂、还原剂等强腐蚀介质而毫不受损,是目前较受使用单位欢迎的泵类设备之一。


| 1 | 叶轮 | 5 | 静环压盖 | 9 | 轴承侧盖 | 13 | 轴承座 | 17 | 支板 |
| 2 | 泵壳 | 6 | 机械密封(静环) | 10 | 轴承油封 | 14 | 主轴 | 18 | 底板 |
| 3 | 泵盖 | 7 | 机械密封(动环) | 11 | 油塞 | 15 | 联轴器 | 19 | 放油孔 |
| 4 | 泵盖垫 | 8 | 支架 | 12 | 轴承 | 16 | 穿轴螺杆 | 20 | 紧固螺栓 |
| 规格 | 参考型号 | 流量Q (m3/h) | 扬程H (m) | 电机功率 (kW) | 转速 (rpm) |
| HG25-20-125 | HG25-20-125/0.75kW-2 | 3.2 | 15 | 0.75 | 2900 |
| HG25-20-125/1.1kW-2 | 3.2 | 20 | 1.1 | ||
| HG25-25-250 | HG25-25-250/5.5kW-2 | 1.6 | 75 | 5.5 | 2900 |
| HG25-25-250/1.1kW-4 | 0.8 | 18.5 | 1.1 | 1450 | |
| HG40-25-140 | HG40-25-140/1.5kW-2 | 6.3 | 20 | 1.5 | 2900 |
| HG40-25-140/2.2kW-2 | 6.3 | 25 | 2.2 | ||
| HG40-32-160 | HG40-32-160/3kW-2 | 6.3 | 32 | 3 | 2900 |
| HG40-32-160/0.75kW-4 | 3.2 | 8 | 0.75 | 1450 | |
| HG40-20-250 | HG40-20-250/5.5kW-2 | 6.3 | 65 | 5.5 | 2900 |
| HG40-20-250/1.1kW-4 | 3.2 | 16 | 1.1 | 1450 | |
| HG50-40-125 | HG50-40-125/2.2kW-2 | 7.5 | 23 | 2.2 | 2900 |
| HG50-40-125/3kW-2 | 12.5 | 20 | 3 | ||
| 15 | 18 | ||||
| HG50-40-125/0.75kW-4 | 6.3 | 5 | 0.75 | 1450 | |
| HG50-40-160 | HG50-40-160/3kW-2 | 7.5 | 34.5 | 3 | 2900 |
| HG50-40-160/4kW-2 | 12.5 | 32 | 4 | ||
| 15 | 30 | ||||
| HG50-40-160/0.75kW-4 | 6.3 | 8 | 0.75 | 1450 | |
| HG50-40-200 | HG50-40-200/5.5kW-2 | 7.5 | 51.8 | 5.5 | 2900 |
| HG50-40-200/7.5kW-2 | 12.5 | 50 | 7.5 | ||
| 15 | 48 | ||||
| HG50-40-200/1.5kW-4 | 6.3 | 12.5 | 1.5 | 1450 | |
| HG65-40-250 | HG65-40-250/11kW-2 | 7.5 | 82 | 11 | 2900 |
| HG65-40-250/15kW-2 | 12.5 | 80 | 15 | ||
| 15 | 78.5 | ||||
| HG65-40-250/2.2kW-4 | 6.3 | 20 | 2.2 | 1450 | |
| HG65-50-125 | HG65-50-125/3kW-2 | 15 | 21.3 | 3 | 2900 |
| HG65-50-125/4kW-2 | 25 | 20 | 4 | ||
| 30 | 18.6 | ||||
| HG65-50-125/1.1kW-4 | 12.5 | 5 | 1.1 | 1450 | |
| HG65-50-160 | HG65-50-160/4kW-2 | 15 | 34.2 | 4 | 2900 |
| HG65-50-160/5.5kW-2 | 25 | 32 | 5.5 | ||
| 30 | 30 | ||||
| HG65-50-160/1.5kW-4 | 12.5 | 8 | 1.5 | 1450 | |
| HG65-50-200 | HG65-50-200/11kW-2 | 15 | 53.2 | 11 | 2900 |
| HG65-50-200/15kW-2 | 25 | 50 | 15 | ||
| 30 | 47.6 | ||||
| HG65-50-200/2.2kW-4 | 12.5 | 12.5 | 2.2 | 1450 | |
| HG80-65-125 | HG80-65-125/5.5kW-2 | 30 | 23.2 | 5.5 | 2900 |
| HG80-65-125/7.5kW-2 | 50 | 20 | 7.5 | ||
| 60 | 17.6 | ||||
| HG80-65-125/1.5kW-4 | 25 | 5 | 1.5 | 1450 | |
| HG80-65-160 | HG80-65-160/7.5kW-2 | 30 | 36 | 7.5 | 2900 |
| HG80-65-160/11kW-2 | 50 | 32 | 11 | ||
| 60 | 28.4 | ||||
| HG80-65-160/2.2kW-4 | 25 | 8 | 2.2 | 1450 | |
| HG80-65-200 | HG80-65-200/15kW-2 | 30 | 55.2 | 15 | 2900 |
| HG80-65-200/18.5kW-2 | 50 | 50 | 18.5 | ||
| 60 | 45.2 | ||||
| HG80-65-200/3kW-4 | 25 | 12.5 | 3 | 1450 | |
| HG80-65-250 | HG80-65-250/22kW-2 | 30 | 84 | 22 | 2900 |
| HG80-65-250/30kW-2 | 50 | 80 | 30 | ||
| 60 | 75 | ||||
| HG80-65-250/3kW-4 | 25 | 20 | 4 | 1450 | |
| HG100-80-125 | HG100-80-125/11kW-2 | 60 | 24 | 11 | 2900 |
| HG100-80-125/15kW-2 | 100 | 20 | 15 | ||
| 120 | 16.5 | ||||
| HG100-80-125/2.2kW-4 | 30 | 6 | 2.2 | 1450 | |
| HG100-80-125/3kW-4 | 50 | 5 | 3 | ||
| 60 | 4 | ||||
| HG100-80-160 | HG100-80-160/15kW-2 | 60 | 37 | 15 | 2900 |
| HG100-80-160/18.5kW-2 | 100 | 32 | 18.5 | ||
| 120 | 28 | ||||
| HG100-80-160/3kW-4 | 30 | 9.25 | 3 | 1450 | |
| HG100-80-160/4kW-4 | 50 | 8 | 4 | ||
| 60 | 7 | ||||
| HG100-65-200 | HG100-65-200/30kW-2 | 60 | 56 | 30 | 2900 |
| HG100-65-200/37kW-2 | 100 | 50 | 37 | ||
| 120 | 44 | ||||
| HG100-65-200/4kW-4 | 30 | 14 | 4 | 1450 | |
| HG100-65-200/5.5kW-4 | 50 | 12.5 | 5.5 | ||
| 60 | 11 | ||||
| HG100-65-250 | HG100-65-250/45kW-2 | 60 | 88 | 45 | 2900 |
| HG100-65-250/55kW-2 | 100 | 80 | 55 | ||
| 120 | 74 | ||||
| HG100-65-250/5.5kW-4 | 30 | 22 | 5.5 | 1450 | |
| HG100-65-250/7.5kW-4 | 50 | 20 | 7.5 | ||
| 60 | 18.5 | ||||
| HG125-100-180 | HG125-100-180/30kW-2 | 120 | 38 | 30 | 2900 |
| HG125-100-180/37kW-2 | 160 | 32 | 37 | ||
| 180 | 30 | ||||
| HG125-100-180/4kW-4 | 60 | 9.5 | 4 | 1450 | |
| HG125-100-180/5.5kW-4 | 80 | 8 | 5.5 | ||
| 90 | 7.5 | ||||
| HG150-125-160 | HG150-125-160/37kW-2 | 200 | 32 | 37 | 2900 |
| HG150-125-160/45kW-2 | 300 | 25 | 45 | ||
| HG150-125-160/5.5kW-4 | 100 | 8 | 5.5 | 1450 | |
| HG150-125-160/7.5kW-4 | 150 | 6.3 | 7.5 |

| 产品型号 | 电机功率(kW) | A | L1 | L2 | L3 | L4 | L5 | a | B1 | B2 | B3 | h1 | h2 | h3 | H | H1 | H2 | n-d |
| HG25-20-125 | 0.75kW-2 | 65 | 720 | 160 | 415 | 305 | 780 | 80 | 150 | 350 | 290 | 112 | 180 | 24 | 177 | 317 | 276 | 4-Φ23 |
| HG25-25-250 | 5.5kW-2 | 85.5 | 875 | 150 | 475 | 410 | 967 | 100 | 190 | 405 | 345 | 175 | 265 | 24 | 250 | 475 | 403 | 4-Φ26 |
| HG40-25-140 | 1.5kW-2 | 65 | 720 | 160 | 415 | 300 | 780 | 80 | 150 | 350 | 290 | 112 | 179 | 24 | 177 | 317 | 259 | 4-Φ23 |
| HG40-32-160 | 2.2kW-2 | 65 | 720 | 160 | 415 | 300 | 780 | 80 | 150 | 350 | 290 | 112 | 179 | 24 | 177 | 317 | 259 | 4-Φ23 |
| HG40-20-250 | 5.5kW-2 | 75 | 945 | 225 | 500 | 475 | 1025 | 100 | 210 | 410 | 340 | 160 | 315 | 30 | 245 | 445 | 428 | 4-Φ26 |
| HG50-40-125 | 2.2~3kW-2 | 65 | 850 | 195 | 460 | 355 | 915 | 80 | 155 | 360 | 300 | 132 | 178 | 24 | 207 | 367 | 295 | 4-Φ26 |
| 0.75kW-4 | 73 | 855 | 200 | 555 | 300 | 825.5 | 80 | 150 | 360 | 300 | 132 | 173 | 24 | 207 | 367 | 290 | 4-Φ26 | |
| HG50-40-160 | 3kW-2 | 70 | 840 | 195 | 460 | 410 | 952 | 80 | 190 | 405 | 300 | 132 | 265 | 30 | 207 | 367 | 360 | 4-Φ26 |
| 4kW-2 | 70 | 840 | 195 | 460 | 410 | 965 | 80 | 190 | 405 | 300 | 132 | 265 | 30 | 207 | 367 | 360 | 4-Φ26 | |
| 0.75kW-4 | 73 | 855 | 150 | 455 | 300 | 825.5 | 80 | 150 | 360 | 300 | 132 | 173 | 24 | 207 | 367 | 290 | 4-Φ26 | |
| HG50-40-200 | 7.5kW-2 | 75 | 945 | 225 | 500 | 484 | 1093.5 | 100 | 210 | 410 | 340 | 160 | 315 | 24 | 245 | 445 | 428 | 4-Φ26 |
| 1.5kW-4 | 75 | 961 | 225 | 511 | 355 | 946.5 | 100 | 210 | 410 | 360 | 160 | 178 | 24 | 245 | 445 | 333 | 4-Φ26 | |
| HG65-40-250 | 15kW-2 | 100 | 1123 | 210 | 703 | 645 | 1245 | 100 | 225 | 500 | 440 | 180 | 388 | 30 | 265 | 490 | 490 | 4-Φ26 |
| 2.2kW-4 | 85 | 954 | 210 | 534 | 390 | 982 | 100 | 180 | 500 | 440 | 180 | 257 | 28 | 265 | 490 | 490 | 4-Φ26 | |
| HG65-50-125 | 2.2kW-2 | 75 | 960 | 225 | 510 | 410 | 930 | 100 | 180 | 410 | 360 | 160 | 265 | 24 | 245 | 425 | 398 | 4-Φ24 |
| 3kW-2 | 75 | 960 | 225 | 510 | 410 | 968 | 100 | 180 | 410 | 360 | 160 | 265 | 24 | 245 | 425 | 398 | 4-Φ24 | |
| 0.75kW-4 | 75 | 840 | 150 | 540 | 315 | 873 | 100 | 155 | 405 | 350 | 160 | 168 | 24 | 235 | 415 | 323 | 4-Φ24 | |
| HG65-50-160 | 4kW-2 | 75 | 960 | 225 | 510 | 465 | 950 | 100 | 210 | 410 | 360 | 160 | 295 | 24 | 245 | 425 | 428 | 4-Φ26 |
| 5.5kW-2 | 75 | 945 | 225 | 500 | 465 | 1023 | 100 | 210 | 410 | 340 | 160 | 295 | 24 | 245 | 425 | 428 | 4-Φ26 | |
| 0.75kW-4 | 75 | 840 | 150 | 540 | 305 | 873 | 100 | 155 | 405 | 350 | 160 | 168 | 24 | 235 | 415 | 323 | 4-Φ24 | |
| HG65-50-200 | 11~15kW-2 | 75 | 945 | 225 | 500 | 475 | 1080 | 100 | 210 | 410 | 340 | 160 | 315 | 24 | 245 | 445 | 428 | 4-Φ26 |
| 1.1kW-4 | 75 | 961 | 225 | 510 | 360 | 967 | 100 | 155 | 410 | 360 | 160 | 178 | 24 | 245 | 445 | 333 | 4-Φ26 | |
| HG80-65-125 | 5.5kW-2 | 70 | 950 | 225 | 510 | 475 | 1050 | 100 | 210 | 410 | 350 | 160 | 315 | 30 | 245 | 425 | 428 | 4-Φ24 |
| 0.75kW-4 | 75 | 985 | 225 | 535 | 285 | 845 | 100 | 150 | 410 | 370 | 160 | 170 | 30 | 245 | 425 | 335 | 4-Φ24 | |
| HG80-65-160 | 7.5kW-2 | 70 | 945 | 225 | 500 | 475 | 1048 | 100 | 210 | 410 | 340 | 160 | 315 | 24 | 245 | 425 | 428 | 4-Φ24 |
| 1.5kW-4 | 74 | 961 | 225 | 511 | 363 | 938 | 100 | 155 | 410 | 360 | 160 | 118 | 30 | 245 | 425 | 332 | 4-Φ26 | |
| HG80-65-200 | 15kW-2 | 100 | 1175 | 230 | 720 | 620 | 1240 | 100 | 255 | 500 | 440 | 160 | 385 | 30 | 245 | 445 | 470 | 4-Φ26 |
| 18.5kW-2 | 100 | 1175 | 230 | 720 | 620 | 1300 | 100 | 255 | 500 | 440 | 160 | 385 | 30 | 245 | 445 | 470 | 4-Φ26 | |
| 2.2kW-4 | 150 | 1055 | 225 | 605 | 418 | 1057.5 | 100 | 190 | 510 | 450 | 160 | 265 | 23 | 270 | 470 | 423 | 4-Φ26 | |
| HG80-65-250 | 22kW-2 | 130 | 1280 | 225 | 830 | 715 | 1395 | 125 | 285 | 510 | 450 | 180 | 430 | 30 | 290 | 515 | 540 | 4-Φ26 |
| 30kW-2 | 130 | 1280 | 225 | 830 | 715 | 1425 | 125 | 285 | 510 | 450 | 180 | 430 | 30 | 290 | 515 | 540 | 4-Φ26 | |
| 3kW-4 | 100 | 1060 | 230 | 610 | 440 | 1123 | 125 | 180 | 510 | 430 | 180 | 245 | 30 | 290 | 515 | 435 | 4-Φ26 | |
| HG100-80-125 | 11kW-2 | 110 | 1130 | 210 | 740 | 645 | 1204 | 100 | 255 | 500 | 440 | 160 | 385 | 30 | 245 | 445 | 470 | 4-Φ26 |
| 1.5kW-4 | 90 | 1103 | 210 | 683 | 340 | 920 | 100 | 160 | 500 | 440 | 160 | 195 | 30 | 245 | 445 | 350 | 4-Φ24 | |
| HG100-80-160 | 15kW-2 | 110 | 1130 | 210 | 740 | 630 | 1230 | 100 | 255 | 500 | 440 | 160 | 385 | 30 | 245 | 445 | 470 | 4-Φ26 |
| 2.2kW-4 | 110 | 954 | 210 | 534 | 390 | 957.5 | 100 | 180 | 500 | 440 | 160 | 245 | 28 | 265 | 465 | 410 | 4-Φ26 | |
| HG100-65-200 | 22kW-2 | 110 | 1300 | 240 | 825 | 700 | 1380 | 125 | 285 | 550 | 445 | 180 | 430 | 40 | 330 | 555 | 580 | 4-Φ24 |
| 30kW-2 | 151 | 1398 | 250 | 898 | 700 | 1410 | 125 | 285 | 550 | 550 | 180 | 430 | 40 | 330 | 555 | 580 | 4-Φ24 | |
| 5.5kW-4 | 91.5 | 1123 | 210 | 703 | 513 | 1216 | 100 | 210 | 500 | 440 | 180 | 315 | 30 | 265 | 490 | 448 | 4-Φ23 | |
| HG100-65-250 | 37kW-2 | 151 | 1398 | 250 | 898 | 805 | 1497 | 125 | 310 | 610 | 550 | 200 | 475 | 34 | 325 | 550 | 600 | 4-Φ26 |
| 5.5kW-4 | 101 | 1105 | 250 | 605 | 575 | 1262 | 125 | 210 | 370 | 280 | 200 | 315 | 30 | 350 | 575 | 533 | 4-Φ23 | |
| HG125-100-180 | 37kW-2 | 135 | 1468 | 250 | 968 | 845 | 1480 | 140 | 345 | 660 | 600 | 200 | 530 | 34 | 385 | 635 | 690 | 4-Φ26 |
| 45kW-2 | 135 | 1468 | 250 | 968 | 845 | 1526 | 140 | 345 | 660 | 600 | 200 | 530 | 34 | 385 | 635 | 690 | 4-Φ26 | |
| 7.5kW-4 | 110 | 1110 | 225 | 660 | 520 | 1230 | 140 | 210 | 590 | 530 | 200 | 315 | 34 | 310 | 560 | 493 | 4-Φ26 | |
| HG150-125-160 | 37kW-2 | 115 | 1298 | 250 | 798 | 805 | 1493 | 125 | 285 | 590 | 530 | 200 | 475 | 24 | 310 | 535 | 585 | 4-Φ26 |
| 45kW-2 | 135 | 1400 | 250 | 890 | 845 | 1533 | 125 | 345 | 600 | 550 | 200 | 530 | 34 | 385 | 610 | 690 | 4-Φ26 | |
| 5.5~7.5kW-4 | 115 | 1110 | 225 | 660 | 513 | 1221 | 125 | 210 | 590 | 530 | 200 | 315 | 34 | 310 | 535 | 493 | 4-Φ26 |

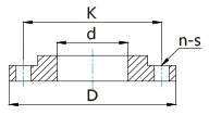
| d | 20 | 25 | 32 | 40 | 50 | 65 | 80 | 100 | 125 | 150 |
| D | 105 | 115 | 140 | 150 | 165 | 185 | 200 | 220 | 250 | 285 |
| K | 75 | 85 | 100 | 110 | 125 | 145 | 160 | 180 | 210 | 240 |
| n-s | 4-Φ14 | 4-Φ18 | 8-Φ18 | 8-Φ22 | ||||||
1.泵的进出口依次安装阀门及橡胶抗震节(管道补偿器)以方便检修。
2.在泵的安装顺序上,要先连接进出口管路镙栓,再紧固定脚螺栓,以防连接管路时对泵产生拉伸性应力,损坏泵机。
3.出口管路距离长(高)的岗位,应在出口处按装上止回阀,以防停车时水锤对泵产生破坏力。
4.泵的进出口管路的配置:为减少管道流阻、提高管道的输送效率,泵的配管应大于泵进出口一个等级。
进口化工氟塑料泵槽位安装示意及注意事项
高位槽正压状态高位槽正压状态
特点说明:泵安装在储槽的底部,储槽内介质处于正压状态,泵进口处阀门打开时,储槽的液体能自流到泵腔中,这是IHF系列钢衬氟塑料化工泵理想的安装方式。
高位槽负压状态高位槽负压状态
特点说明:泵安装在储槽的底部,密闭的储槽处于负压状态.这种状态选泵,必须弄清储槽中负压的确切数据,再和本公司联系,方可定型。
低位槽不装底阀装虹吸桶状态
特点说明:泵安装在储槽的上部,在进口管道靠近泵进口处安装一帮助启动的虹吸桶,第一次启动泵之前需将虹吸桶中灌满液体,以后就不需要再灌。虹吸桶的制作可根据介质性的的不同选用相适应的材料和制造工艺,虹吸桶的制作要求就是密封性好,不能漏水漏气,虹吸桶大小的计算方法如下:V=(3~5)×πd2×L/4,d:进口管直径,L:进口管总长,V:虹吸桶容积,根据计算出的容积和现有材料的尺寸,再确定虹吸桶的直径和高度。
低位槽装底阀状态低位槽装底阀状态
特点说明:泵安装在储槽的上部,进口管道底部需要安装底阀,每次启动泵之前,都须将泵腔内灌满液体,切不可开空车。在一般情况下,IHF系列钢衬氟塑料化工泵不提倡在这种岗位上使用。
1.运行前的检查
试运行前应先用手盘动联轴器或轴,检查转向是否正确,运转是否灵活,如盘不动或有异常声音,应及时检查。检查时先从外部着手检查联轴器是否水平,从轴承座上的油镜孔处查看润滑油的位置是否在油镜的中心线附近(太多应放掉一些,太少应加上一些),边检查边盘动,如果问题依然存在,就要拆泵检查(拆泵时请参照本说明书上的结构简图和拆装程序),清理异物,并和本公司联系协商解决办法,同时检查外冷却系统有无加冷却水。
2.开车步骤
a.将泵内灌满液体
b.及时打开进口阀门
c.接通电源
d.打开出口阀门
3.运行
运行中如有异常声音,或有电机发热等不正常情况出现时,也应停机检查,检查方法和步骤同1。
4.停机
a.先关闭出口处阀门;
b.切断电源,并及时关闭进口处阀门;
5.轴承座的润滑保护
轴承座中应定期更换润滑油(40#柴机油),一般以运行6个月为更换周期。加注润滑油的油位以到油镜中心线为好(见下图)。油位太低起不到润滑作用,太高轴功率消耗负荷增加。
