服务热线
021-31262005


美国尼科NICO进口锅炉多级泵为卧式单吸多级分段式离心泵,主要用于锅炉给水,所以又名锅炉多级给水泵。进出口分别在进水段和出水段上,均垂直向上,其扬程可根据使用需要而增减水泵级数。水泵装配良好与否,对性能影响很大,尤其是各个叶轮的出口与导翼进口之相对位置,每吸叶轮的吐出口中心必须对准导翼的中心,其中稍有偏差即将使水泵的流量减少,扬程降低,效率差,故在检修后装配时务必注意,若有偏差必须调整。该系列锅炉给水泵适于输送温度低于110°℃的清水或物理化学性质类似于水的无腐蚀性的其他液体,广泛用于工矿企事业单位的锅炉给水和城市生活供水。
公称通径:25-800(mm)
流量范围:3.75-900(m3/h)
扬程范围:19-1500(m)
功率范围:5.5-2800kw
转速范围:2950r/min
防爆标志:ExdeIIBT4DIP21TAT6
防护等级:IP54/IP65
额定电压:DC24v、220v、380v,660v,1140v(DC、AC)
温度范围:-20℃~120℃
工作压力:≤1.6Mpa
泵体材质:铸铁、WCB、304、316、316L
1、进口锅炉多级泵主要零件有轴、轴套、进水段、叶轮、导翼、密封环、中段、出水段、平衡环、平衡盘、尾盖。
2、进水段、中段、出水段及尾盖均为铸铁制成,共同形成泵的工作室。
3、叶轮为铸铁制成,内有叶片,液体沿轴向单侧进入,由于多级泵叶轮前后受压不等,必须存在轴向力,此轴向力由平衡盘来承担,叶轮制造时经静平衡试验。
4、轴为优质碳素钢制成,中间装有叶轮,用键、轴套和轴套螺母固定在轴上。轴的一端按装联轴器部件,与电机直接联接。从转动方向看时,泵轴为川页时针方向旋转。
5、密封环为铸铁制成,防止水泵中高压水漏回进水部分,分别固定在化工泵进水段与中段之中,为易损件,磨损后可用备件更换。
6、离心泵平衡环为铸铁制成,固定在出水段上,它与平衡盘共同组成平衡装置。
7、平衡盘为耐磨铸铁制成,装在轴上,位于出水段与尾盖之间,平衡轴向力。
8、化工泵轴套为铸铁制成,位于两填料室处,离心泵作固定叶轮和保护泵轴之用。为易损件,磨损后可用备件更换。
9、轴承是用单列向心球轴承,采用钙基黄油润滑。
10、填料起密封作用,防止空气进入和大量液体漏出。
11、填料密封由进水段和尾盖上的填料室,填料压盖,填料环及填料等组成,少量高压水流入填料室中起水封作用。填料的松紧程度必须适当,不可压的太紧,也不可太松,以液体能一滴一滴地渗出为准。如果填料太紧,轴套容易发热同时耗费功率。填料太松,由于液体流失要降低水泵效率。
适用于小型锅炉给水,也可广泛应用于压力容器供水、热水循环、高层建筑给水、农田灌溉、消防增压、水力冲洗、食品、酿造、医药、化工、水产养殖、环境保护、化工工艺流程及机床配套等各行业,作为给水排水的动力设备。


| 1 | 轴套螺母 | 2 | 轴承盖 |
| 3 | 轴承 | 4 | 轴承体 |
| 5 | 轴承甲 | 6 | 填料压盖 |
| 7 | 填料环 | 8 | 进水段 |
| 9 | 密封环 | 10 | 叶轮 |
| 11 | 中段 | 12 | 回水管 |
| 13 | 出水段 | 14 | 科衡环 |
| 15 | 平衡盘 | 16 | 尾盖 |
| 17 | 轴套乙 | 18 | 拉紧螺栓 |
| 19 | 轴 | 20 | 园螺母 |

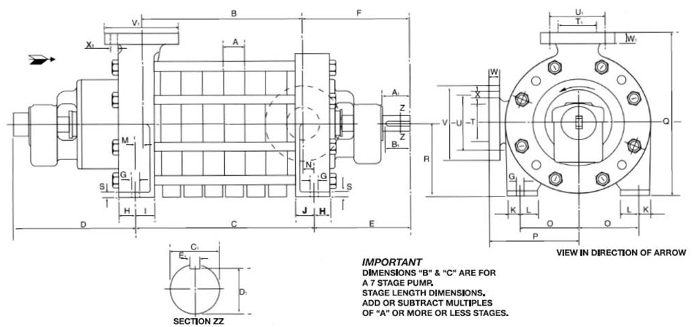
| PL/PJ PUMP DETAILS: (Dimension in millimetres) | SHAFT & KEYWAY DETAILS | SUCTION FLANGE DETAILS | DELIVERY FLANGE DETAILS | ||||||||||||||||||||||||||||||||||
| MODEL | A | B | C | D | E | F | G | H | I | J | K | L | M | N | O | P | Q | R | S | A1 | B1 | C1 | D1 | E1 | T | U | V | W | X | No of Holes | BS4504 | T1 | U1 | V1 | W1 | X1 | No of Holes |
| GL 80 | 75 | 578 | 638 | 370 | 349 | 377 | 24 | 30 | 48 | 48 | 29 | 51 | 32 | 28 | 200 | 300 | 540 | 240 | 22 | 110 | 80 | 44,537 44,526 | 38,5 38,3 | 16,000 15,957 | 80 | 180 | 230 | 36 | 26 | 8 | 160/1 | 80 | 180 | 230 | 36 | 26 | 8 |
| GL 100 | 90 | 688 | 788 | 465 | 438 | 488 | 24 | 40 | 78 | 78 | 40 | 60 | 50 | 50 | 260 | 400 | 710 | 310 | 30 | 140 | 110 | 63,545 63,532 | 56,80 56,00 | 20,00 19,95 | 100 | 235 | 300 | 54 | 33 | 8 | 250/1 | 100 | 235 | 300 | 54 | 33 | 8 |
| GL 150 | 105 | 799 | 871 | 547 | 511 | 549 | 24 | 88 | 84 | 84 | 35 | 65 | 34 | 38 | 308 | 458 | 811 | 353 | 35 | 140 | 110 | 69,800 69,750 | 61,00 60,80 | 22,00 21,95 | 150 | 320 | 390 | 68 | 36 | 12 | 250/1 | 150 | 320 | 390 | 68 | 36 | 12 |
| GL 200 | 117 | 890 | 988 | 665 | 655 | 704 | 26 | 95 | 125 | 125 | 60 | 60 | 49 | 49 | 351 | 570 | 990 | 420 | 35 | 210 | 160 | 103,00 102,99 | 94,00 93,80 | 25,00 24,95 | 200 | 400 | 485 | 82 | 42 | 12 | 250/1 | 200 | 400 | 485 | 82 | 42 | 12 |
| GL80 | 89 | 670,5 | 736,5 | 450 | 452 | 482 | 24 | 32 | 48 | 48 | 47 | 46 | 36 | 30 | 230 | 340 | 630 | 290 | 25 | 140 | 110 | 64,045 64,032 | 56,6 56,4 | 20,000 19,948 | 80 | 170 | 215 | 28 | 22 | 8 | 64/1 | 80 | 170 | 215 | 28 | 22 | 8 |
| GL100 | 106 | 810 | 859 | 532 | 503 | 521 | 24 | 52 | 68 | 68 | 39 | 61 | 31 | 18 | 300 | 430 | 780 | 350 | 25 | 140 | 110 | 75,045 75,032 | 67,50 67,30 | 20,000 19,948 | 100 | 210 | 265 | 40 | 30 | 8 | 160/1 | 100 | 210 | 265 | 40 | 30 | 8 |
| GL150 | 126 | 937 | 1034 | 612 | 555 | 603 | 35 | 60 | 90 | 90 | 70 | 60 | 49 | 48 | 325 | 520 | 925 | 405 | 30 | 170 | 140 | 85,052 85,037 | 76,0 75,8 | 25,000 24,948 | 150 | 290 | 355 | 44 | 33 | 12 | 100/1 | 150 | 290 | 355 | 44 | 33 | 12 |
| GL 200 | 142 | 1115 | 1275 | 661 | 635 | 712,5 | 35 | 80 | 100 | 100 | 75 | 75 | 82,5 | 77,5 | 396 | 564 | 1045 | 481 | 40 | 210 | 160 | 110,035 110,013 | 100,0 99,8 | 28,000 27,948 | 200 | 360 | 430 | 52 | 36 | 12 | 100/1 | 200 | 360 | 430 | 52 | 36 | 12 |
| GL 250 GL-AN | 155 | 1191 | 1341 | 747 | 737 | 805 | 35 | 80 | 120 | 110 | 85 | 85 | 82 | 68 | 445 | 700 | 1240 | 540 | 45 | 290 | 240 | 145,061 145,043 | 132,00 131,70 | 40,000 39,938 | 250 | 430 | 515 | 68 | 42 | 12 | 160/1 | 250 | 430 | 515 | 68 | 42 | 12 |
| GL 250 GL | 164 | 1265 | 1455 | 821 | 736 | 844 | 35 | 80 | 120 | 140 | 85 | 85 | 82 | 108 | 445 | 700 | 1240 | 540 | 45 | 290 | 240 | 140,061 140,043 | 127,00 126,70 | 40,000 39,938 | 300 | 500 | 585 | 78 | 42 | 16 | 160/1 | 250 | 430 | 515 | 68 | 42 | 12 |
| 型号 | 流量 (mз/h) | 扬程 (m) | 转速 (r/min) | 效率 (%) | 功率(KW) | |
| 轴功率 | 电机功率 | |||||
| 1.5GL-5×2 | 6 | 46 | 2950 | 38 | 2 | 3 |
| 1.5GL-5×3 | 6 | 69 | 2950 | 38 | 3 | 4 |
| 1.5GL-5×4 | 6 | 92 | 2950 | 38 | 4 | 5.5 |
| 1.5GL-5×5 | 6 | 115 | 2950 | 38 | 5 | 7.5 |
| 1.5GL-5×6 | 6 | 138 | 2950 | 38 | 6 | 7.5 |
| 1.5GL-5×7 | 6 | 161 | 2950 | 38 | 7 | 7.5 |
| 1.5GL-5×8 | 6 | 184 | 2950 | 38 | 8 | 11 |
| 1.5GL-5×9 | 6 | 207 | 2950 | 38 | 9 | 11 |
| 2GL-5×2 | 10 | 64 | 2950 | 39.6 | 4.4 | 7.5 |
| 2GL-5×3 | 10 | 96 | 2950 | 39.6 | 6.6 | 11.0 |
| 2GL-5×4 | 10 | 128 | 2950 | 39.6 | 8.8 | 15.0 |
| 2GL-5×5 | 10 | 160 | 2950 | 39.6 | 11.0 | 15.0 |
| 2GL-5×6 | 10 | 192 | 2950 | 39.6 | 13.2 | 18.5 |
| 2GL-5×7 | 10 | 224 | 2950 | 39.6 | 15.4 | 22.0 |
| 2GL-5×8 | 10 | 256 | 2950 | 39.6 | 17.6 | 30.0 |
| 2GL-5×9 | 10 | 288 | 2950 | 39.6 | 19.8 | 30.0 |
| 2.5GL-6×2 | 15 | 62 | 2950 | 43.7 | 5.8 | 11.0 |
| 20 | 54 | 2950 | 47.4 | 6.2 | 11.0 | |
| 2.5GL-6×3 | 15 | 93 | 2950 | 43.7 | 8.7 | 15.0 |
| 20 | 81 | 2950 | 47.4 | 9.3 | 15.0 | |
| 2.5GL-6×4 | 15 | 124 | 2950 | 43.7 | 11.6 | 22.0 |
| 20 | 108 | 2950 | 47.4 | 12.4 | 22.0 | |
| 2.5GL-6×5 | 15 | 155 | 2950 | 43.7 | 14.5 | 22.0 |
| 20 | 135 | 2950 | 47.4 | 15.5 | 22.0 | |
| 2.5GL-6×6 | 15 | 186 | 2950 | 43.7 | 17.4 | 30.0 |
| 20 | 162 | 2950 | 47.4 | 18.6 | 30.0 | |
| 2.5GL-6×7 | 15 | 217 | 2950 | 43.7 | 20.2 | 30.0 |
| 20 | 189 | 2950 | 47.4 | 21.7 | 30.0 | |
| 2.5GL-6×8 | 15 | 248 | 2950 | 43.7 | 23.2 | 37.0 |
| 20 | 216 | 2950 | 47.4 | 24.8 | 37.0 | |
| 2.5GL-6×9 | 15 | 279 | 2950 | 43.7 | 26.1 | 22 |
| 20 | 243 | 2950 | 47.4 | 27.9 | 22 | |
| 4GL-8×2 | 30 | 86 | 2950 | 51 | 13.8 | 30 |
| 45 | 82 | 2950 | 60 | 16.8 | 30 | |
| 55 | 76 | 2950 | 62.5 | 18.1 | 30 | |
| 4GL-8×3 | 30 | 129 | 2950 | 51 | 20.7 | 37 |
| 45 | 123 | 2950 | 60 | 25.2 | 37 | |
| 55 | 114 | 2950 | 62.5 | 27.2 | 37 | |
| 4GL-8×4 | 30 | 172 | 2950 | 51 | 27.6 | 55 |
| 45 | 164 | 2950 | 60 | 27.6 | 55 | |
| 55 | 152 | 2950 | 62.5 | 36.2 | 55 | |
| 4GL-8×5 | 30 | 215 | 2950 | 51 | 34.5 | 55 |
| 45 | 205 | 2950 | 60 | 42.0 | 55 | |
| 55 | 190 | 2950 | 62.5 | 45.3 | 55 | |
| 4GL-8×6 | 30 | 258 | 2950 | 51 | 41.4 | 75 |
| 45 | 246 | 2950 | 60 | 50.4 | 75 | |
| 55 | 228 | 2950 | 62.5 | 54.1 | 75 | |
| 4GL-8×7 | 30 | 301 | 2950 | 51 | 48.2 | 75 |
| 45 | 287 | 2950 | 60 | 58.8 | 75 | |
| 55 | 266 | 2950 | 62.5 | 63.4 | 75 | |
| 4GL-8×8 | 30 | 344 | 2950 | 51 | 55.0 | 100 |
| 45 | 328 | 2950 | 60 | 67.0 | 100 | |
| 55 | 304 | 2950 | 62.5 | 73.0 | 100 | |
| 4GL-8×9 | 30 | 387 | 2950 | 51 | 62.0 | 100 |
| 45 | 369 | 2950 | 60 | 75.5 | 100 | |
| 55 | 342 | 2950 | 62.5 | 82.0 | 100 | |
| 4GL-8×10 | 30 | 430 | 2950 | 51 | 69.0 | - |
| 45 | 410 | 2950 | 60 | 84.0 | - | |
| 55 | 380 | 2950 | 62.5 | 91.0 | - | |
1、装卸顺序
1)将密封环〈9)紧装在进水段(8)上。
2)将装好轴套甲〈5〉和键的轴〈9〉穿过进水段〈8)并推入叶轮(10),并在中段上辅一张纸垫,装上中段(11),再推入第二个叶轮,重复以上步骤将所有的叶轮及中段装完。
3)将平衡环(14),装在出水段(13)上。
4)将出水段〈13)装到中段上,然后用拉紧螺栓〈18〉将进水段、中段和出水段紧固在一起。
5)装上平衡盘(15)及轴套乙(17)。
6)将纸垫装在尾盖上,将尾盖装到出水段上,并将填料及填料环(7),填料压盖(6)顺次装入进水段和尾盖的填料室。
7)将轴承体(4)分别装到进水段和尾盖之上,并用螺栓紧固。
8)装入滚珠轴承(3),并分别以轴套螺母(1)与园螺母(20)紧固。
9)在轴承体内装入适量的黄油,并将纸垫套在轴承盖(2)上,将轴承盖装到轴承体上以螺钉紧固。
10)装上回水管,联轴器部件及所有的四方螺塞。
11)拆卸按上述步骤相反进行。
安装前的准备工作:
1)检查水泵和电机;
2)准备工具及起重机械;
3)检查机器的基础;
2、安装顺序
1)整套水泵运到现场,附带底座者已装好电动机。找平底座时,可不必卸下水泵和电机。
2)将底座放在地基上,在地脚螺钉附近垫楔形铁块,将底座垫高约20-40毫米准备找平后填充水泥之用。
3)用水平仪检查底座的水平底,找平后搬紧地脚螺母,用水泥将填充底座。
4)经3-4天水泥干固后,再检查一下水平度。
5)将底座的支持平面,水泵脚及电机脚的平面上的污物清洗除净,并把电机和水泵放在底座上。
6)调整泵轴水平。找平后,适当上紧螺母,以防走动,于调节完毕后再安装电动机、在不合水平处垫以铁板,泵和联轴器之间留有一定间隙。
7)把水平尺放在联轴器上,检查水泵轴心线与电机轴心线是否重合,若不重合,在电机和泵的脚下垫以薄铁片,使两个联轴器外园与平尺相平,然后取出垫的几片薄铁片,在经过刨制的整块垫板来代替铁片,并重新检查安装情况。
为了检查安装的精度。在几个相反位置上用塞尺,测量两联轴器平面的间隙,联轴器平面一周上大和小间隙差数不得超过0.3毫米,两端中心线上下或左右的差数不得超过0.1毫米。
3、起动及停止:
1.将轴上及其它涂油件上所涂的油除净。
2.用汽油清洗轴承和轴室,用棉纱擦净。
3.在轴承体内加入钙基黄油。
4.试验起动。开动电机,检查电机旋转方向,严禁水泵反转而使轴套螺母松开。
5.往泵内注水或用真空泵引水。
6.关闭吐出管上的阀及压力计旋塞。
7.上述过程完毕后,启动电机,打开压力计旋塞。
8.当水泵以正常转数运转时,压力计显示适当压力,然后打开真空表旋塞并逐渐打开排水管路上的闸阀直到需要的压力为止。
9.当停止水泵时,要慢慢地关闭排水管路上的闸阀,关闭真空表旋塞。并停止电机,然后关闭压力表旋塞。
10.长期停止使用水泵时,水泵应拆卸开,将泵另件的水擦干,并在滑动面上涂以防锈油妥善保存。
1.注意水泵轴承温度,不得超过外界温度35℃。其极限温度不得大于75℃。
2.水泵在运转时,时常注意加油。
3.填料室内正常漏水程度,以每分钟10-20滴为准,应随时调整填料压盖压紧程度。
4.定期检查联轴器,注意检查电机轴承温升。
5.运转过程中,如发生噪音或异常的声音时,应立即停车检查其原因。