服务热线
021-31262005


美国尼科NICO进口手动法兰球阀以手柄、蜗轮、伞齿轮驱动方式,通过法兰与管道反法兰连接,主要是靠旋转阀芯来使管道畅通或闭塞,用于截断或接通介质,在管道中做开关使用,法兰球阀材质有碳钢、不锈钢、锻钢、青铜等材质,该产品开关轻便,体积小,可以做成很大口径,密封可靠,结构简单,维修方便,密封面与球面常在闭合状态,不易被介质冲蚀,在水、溶剂、酸、油品和天然气等一般工作介质各行业得到广泛的应用。
| 产品名称: | 手动法兰球阀 | 产品型号: | NK41F |
| 公称通径: | DN15~DN800 | 结构形式: | 球形 |
| 公称压力: | 1.6Mpa~32.0Mpa | 连接方式: | 法兰RF |
| 适用温度: | ≤550ºC | 驱动方式: | 手柄,蜗轮,伞齿轮 |
| 阀体材质: | 铸钢、碳钢、锻钢、不锈钢 | 制造标准: | 国标GB、德国DIN、美国API、ANSI |
| 适用介质: | 水、油、气体、液体 | 品牌名称: | 美国尼科NICO |
手动法兰阀门的通用性很广,口径范围15mm-800mm,压力1.6Mpa-42MPa,温度-20C-550℃。材质铸钢、不锈钢、锾钢、锻不辆钢等材质。控制方式有手动(现场操作)、也有气动、电动远程控制可选。连接方式采用法兰连接,法兰标准有国标、美标、日标、英标、俄标等多种国内外标准可选。适用于各种压力、温度及介质工况。满足不同工况的需求。广泛应用于水处理石油化工、电力能源、冶金、船舶、水电厂、火电厂等介质为水、气体、浊品等系统中。由于该阀门自闭迅速、流阻小,也应用于对阀门启闭速度、流阻有较高要求的场合。
1、阀体为精密铸造阀体,达标材质,外观精细、无沙眼。
2、内件采用精密数控机床加工,保证产品零部件的精度。
3、球体为实心球不锈钢材质、增强耐磨性;
4、密封面与球面在闭合状态,不易被介质冲蚀;介质流动方向不受限制;流体阻力小;
5、出厂前均按照国家标准,做壳体、密封双层检测。
1、流体阻力小,球阀是所有阀类中流体阻力最小的一种,即使是缩径球阀,其流体阻力也相当小。
2、开关迅速、方便,只要阀杆转动90°,球阀就完成了全开或全关动作,很容易实现快速启闭。
3、密封性能好。球阀阀座密封圈一般采用聚四氟乙烯等弹性材料制造,易于保证密封,而且球阀的密封力随着介质压力的增加而增大。
4、阀杆密封可靠。球阀启闭时阀杆只作旋转运动,因此阀杆的填料密封不易被破坏,而且阀杆倒密封的密封力随着介质压力的增加而增大。
5、球阀的启闭只做90°转动,故容易实现自动化控制和远距离控制,球阀可配置气动装置、电动装置、液动装置、气液联动装置或电液联动装置。
6、球阀通道平整光滑,不易沉积介质,可以进行管线通球。
7、大口径采用固定球体式设计,受压后不产生移动,在设计时两密封圈有足够的预紧力保证密封,属双面强制密封,通常在与球连在一体的上、下阀杆上装有推力或滑动轴承.适用于高中压管路上。
| 设计与制造 | 结构长度 | 法兰尺寸 | 压力-温度 | 试验-检验 |
| GB122237 | GB12221 | GB9113 JB79 | GB9131 | GB/T13927 JB/T9092 |
| 公称压力NominalPressure | 1.6 | 2.5 | 4.0 |
| 强度试验 Shell Test | 2.4 | 3.8 | 6.0 |
| 水密封试验 Water Seal Test | 1.8 | 2.8 | 4.4 |
| 气密封试验 Air Seal Test | 0.4-0.7 | ||
| 阀体 Body | ZG1Cr18Ni9Ti | CF8 | CF3 | ZG1Cr18Ni12Mo2Ti | CF8M | CF3M | |
| 球体阀杆 Ball Stem | 1Cr18Ni9Ti | 304 | 304L | 1Cr18Ni12Mo2Ti | 316 | 316L | |
| 阀座 Seat | 聚四氟乙烯PTFE 加坡纤增强聚四氟乙烯PTFE+Glass 对位聚笨PPL | ||||||
| 垫片 Shim | 聚四氟乙烯PTFE 不锈钢/柔性石墨Stainless Steel/flexible Graphite 齿形垫片Tooth Profile Gasket | ||||||
| 阀杆座 Stem Seat | 聚四氟乙烯PTFE 不锈钢/柔性石墨 Stainless Steel/Flexible Graphite | ||||||
| 填料 Packing | 聚四氟乙烯PTFE 增强柔性石墨 Enhanced Flexible Graphite | ||||||
| 填料压盖 Gland | 1Cr18Ni9Ti | 304 | 304L | 1Cr18Ni12Mo2Ti | 316 | 316L | |
| 温度 Temperature | -29℃~150℃(聚四氟乙烯 PTFE) -29℃~200℃(加玻纤增强聚四氟乙烯 PTFE+GLASS) -29℃~300℃(对位聚笨 PPL) -29℃~550℃(金属硬密封) | ||||||
| 介质 Medium | 水蒸汽油品 Water steam Oil goods | 硝酸类 Nitric Acid | 强氧化介质 strongey oxidable medium | 醋酸类 Acetic Acid | 尿素类Urea | ||

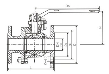
| 1.6MPa | DN | L | D | D1 | D2 | b | n-φd | H | D0 |
| 凸面法兰 RF NK41F NK41PPL 16C 16P 16R | 15 | 130 | 95 | 65 | 45 | 14 | 4-14 | 78 | 140 |
| 20 | 140 | 105 | 75 | 55 | 14 | 4-14 | 84 | 160 | |
| 25 | 150 | 115 | 85 | 65 | 14 | 4-14 | 95 | 180 | |
| 32 | 165 | 135 | 100 | 78 | 16 | 4-18 | 150 | 250 | |
| 40 | 180 | 145 | 110 | 85 | 16 | 4-18 | 150 | 300 | |
| 50 | 200 | 160 | 125 | 100 | 18 | 4-18 | 170 | 350 | |
| 65 | 220 | 180 | 145 | 120 | 20 | 4-18 | 195 | 350 | |
| 80 | 250 | 195 | 160 | 135 | 20 | 8-18 | 215 | 400 | |
| 100 | 280 | 215 | 180 | 155 | 20 | 8-18 | 250 | 500 | |
| 125 | 320 | 245 | 210 | 185 | 22 | 8-18 | 265 | 600 | |
| 150 | 360 | 280 | 240 | 210 | 24 | 8-23 | 270 | 800 | |
| 200 | 400 | 335 | 295 | 265 | 26 | 12-23 | 330 | 1200 | |
| 2.5MPa | 15 | 130 | 95 | 65 | 45 | 16 | 4-14 | 103 | 140 |
| 凸面法兰 RF NK41F NK41PPL 25 25P 25R | 20 | 140 | 105 | 75 | 55 | 16 | 4-14 | 112 | 160 |
| 25 | 150 | 115 | 85 | 65 | 16 | 4-14 | 123 | 180 | |
| 32 | 165 | 135 | 100 | 78 | 18 | 4-18 | 150 | 250 | |
| 40 | 180 | 145 | 110 | 85 | 18 | 4-18 | 156 | 300 | |
| 50 | 200 | 160 | 125 | 100 | 20 | 8-18 | 172 | 350 | |
| 65 | 220 | 180 | 145 | 120 | 22 | 8-18 | 197 | 350 | |
| 80 | 250 | 195 | 160 | 135 | 22 | 8-23 | 222 | 400 | |
| 100 | 280 | 230 | 190 | 160 | 24 | 8-23 | 253 | 500 | |
| 125 | 320 | 270 | 220 | 188 | 28 | 8-25 | 275 | 600 | |
| 150 | 360 | 300 | 250 | 218 | 30 | 8-25 | 286 | 800 | |
| 200 | 400 | 360 | 310 | 278 | 34 | 12-25 | 340 | 1200 |
| 4.0MPa | DN | L | D | D1 | D2 | D6 | b | n-φd | H | D0 |
| 凹凸法兰 MFM NK41F NK41PPL 40 40P 40R | 15 | 130 | 95 | 65 | 45 | 40 | 16 | 4-14 | 103 | 140 |
| 20 | 140 | 105 | 75 | 55 | 51 | 16 | 4-14 | 112 | 160 | |
| 25 | 150 | 115 | 85 | 65 | 58 | 16 | 4-14 | 123 | 160 | |
| 32 | 180 | 135 | 100 | 78 | 66 | 18 | 4-18 | 150 | 250 | |
| 40 | 200 | 145 | 110 | 85 | 76 | 18 | 4-18 | 156 | 250 | |
| 50 | 220 | 160 | 125 | 100 | 88 | 20 | 4-18 | 172 | 350 | |
| 65 | 250 | 180 | 145 | 120 | 110 | 22 | 8-18 | 197 | 350 | |
| 80 | 280 | 195 | 160 | 135 | 121 | 22 | 8-18 | 222 | 450 | |
| 100 | 320 | 230 | 190 | 160 | 150 | 24 | 8-23 | 253 | 450 | |
| 125 | 400 | 270 | 220 | 188 | 176 | 28 | 8-25 | 275 | 600 | |
| 150 | 400 | 300 | 250 | 218 | 204 | 30 | 8-25 | 286 | 800 | |
| 200 | 550 | 375 | 320 | 282 | 260 | 38 | 12-30 | 340 | 1200 | |
| 6.4MPa | 15 | 165 | 105 | 75 | 55 | 40 | 18 | 4-14 | 105 | 140 |
| 凹凸法兰 MFM NK41F NK41PPL 64 64P 64R | 20 | 190 | 125 | 90 | 68 | 51 | 20 | 4-18 | 125 | 160 |
| 25 | 216 | 135 | 100 | 78 | 58 | 22 | 4-18 | 135 | 250 | |
| 32 | 229 | 150 | 110 | 82 | 66 | 24 | 4-23 | 150 | 350 | |
| 40 | 241 | 165 | 125 | 95 | 76 | 24 | 4-23 | 165 | 350 | |
| 50 | 292 | 175 | 135 | 105 | 88 | 26 | 4-23 | 175 | 450 | |
| 65 | 330 | 200 | 160 | 130 | 110 | 28 | 8-23 | 200 | 450 | |
| 80 | 356 | 210 | 170 | 140 | 121 | 30 | 8-23 | 210 | 600 | |
| 100 | 432 | 250 | 200 | 168 | 150 | 32 | 8-25 | 250 | 700 | |
| 125 | 508 | 295 | 240 | 202 | 176 | 36 | 8-30 | 295 | 1100 | |
| 150 | 559 | 340 | 280 | 240 | 204 | 38 | 8-34 | 340 | 1500 |