服务热线
021-31262005


美国尼科NICO进口三片式高平台球阀是在三片式法兰球阀上的升级款,主要是为了方便和气动执行器和电动执行器组装使用,自带平台和支架设计,符合IS05211标准,减轻了和驱动执行器连接的成本和时间,阀体材质有WCB、304、316不锈钢系列,适合在温度250度一下介质中使用,相比螺纹连接的阀门,在对阀门维护、维修成本上提升了很多,方便拆卸和更换阀门。
| 产品名称: | 不锈钢法兰高平台球阀 | 产品型号: | NK41F |
| 公称通径: | DN15~DN800 | 结构形式: | 球形 |
| 公称压力: | 1.6Mpa~16.0Mpa | 连接方式: | 法兰 |
| 适用温度: | -20ºC~+180ºC~550ºC | 驱动方式: | 手动 |
| 阀体材质: | 不锈钢、304、316、316L | 制造标准: | 国标GB、德国DIN、美国API、ANSI |
| 适用介质: | 水、油、蒸汽、气体、腐蚀性液体 | 品牌名称: | 美国尼科NICO |
1、流体阻力小,球阀是所有阀类中流体阻力最小的一种,即使是缩径球阀,其流体阻力也相当小。
2、开关迅速、方便,只要阀杆转动90°,球阀就完成了全开或全关动作,很容易实现快速启闭。
3、密封性能好。球阀阀座密封圈一般采用聚四氟乙烯等弹性材料制造,易于保证密封,而且球阀的密封力随着介质压力的增加而增大。
4、阀杆密封可靠。球阀启闭时阀杆只作旋转运动,因此阀杆的填料密封不易被破坏,而且阀杆倒密封的密封力随着介质压力的增加而增大。
5、球阀的启闭只做90°转动,故容易实现自动化控制和远距离控制,球阀可配置气动装置、电动装置、液动装置、气液联动装置或电液联动装置。
6、球阀通道平整光滑,不易沉积介质,可以进行管线通球。
| 设计制造DESIGN: | GB/T-12237/ANSI B16.34 |
| 法兰尺寸FLANGE DIMENSIONS | B/T-9113.1/ASME B16.5 CLASS150 |
| 检查与测试TEST | GB/T-13927/API598 |
| 公称压力NominalPressure | 1.6 | 2.5 | 4.0 |
| 强度试验 Shell Test | 2.4 | 3.8 | 6.0 |
| 水密封试验 Water Seal Test | 1.8 | 2.8 | 4.4 |
| 气密封试验 Air Seal Test | 0.4-0.7 | ||

| NO. | 零件名称PARTNAME | PN16/40 | CLASS150/300 | JIS-10K | DINPN40 | ||
| 1 | 阀体BODY | CF8M | CF8 | CF8M | WCB | SCS13 | 1.4408 |
| 2 | 阀盖ENDCAP | CF8M | CF8 | CF8M | WCB | SCS13 | 1.4408 |
| 3 | 球BALL | SS316 | SS304 | SS316 | SS304 | SS304 | SS316 |
| 4 | 阀座SEAL | RTFE | RTFE | RTFE | RTFE | RTFE | RTFE |
| 5 | 雛STUD | PTFE | PTFE | PTFE | PTFE | PTFE | PTFE |
| 6 | 阀杆STEM | SS316 | SS304 | SS316 | SS304 | SS304 | SS316 |
| 7 | 杆密封THRUSTWASHER | PTFE | PTFE | PTFE | PTFE | PTFE | PTFE |
| 8 | 〇型圈STEMO-RING | VITON | VITON | VITON | VITON | VITON | VITON |
| 9 | 中头垫STEMPACKING | PTFE | PTFE | PTFE | PTFE | PTFE | PTFE |
| 10 | _压套GLAND | SS304 | SS304 | SS304 | SS304 | SS304 | SS304 |
| 11 | 碟簧BELLEVILLEWASHER | SS304 | SS304 | SS304 | SS304 | SS304 | SS304 |
| 12 | 下螺帽STEMNUT | SS304 | SS304 | SS304 | SS304 | SS304 | SS304 |
| 13 | 睡盖STOPWASHER | SS304 | SS304 | SS304 | SS304 | SS304 | SS304 |
| 14 | 垫片压簧FILLINGDAMPINGRING | SS304 | SS304 | SS304 | SS304 | SS304 | SS304 |
| 15 | 锁片LOCKINGPAD | SS304 | SS304 | SS304 | SS304 | SS304 | SS304 |
| 16 | 胶套HANDLECOVER | PLASTIC | PLASTIC | PLASTIC | PLASTIC | PLASTIC | PLASTIC |
| 17 | 螺媢HANDLENUT | SS304 | SS304 | SS304 | SS304 | SS304 | SS304 |
| 18 | 手柄HANDLE | SS304 | SS304 | SS304 | SS304 | SS304 | SS304 |
| 19 | 定位螺丝STOPBOIT | SS304 | SS304 | SS304 | SS304 | SS304 | SS304 |
| 20 | 定位螺帽STOPNUT | SS304 | SS304 | SS304 | SS304 | SS304 | SS304 |
| 21 | 弹垫STUD | A193Gr.B8 | A193Gr.B8 | A193Gr.B8 | A193Gr.B8 | A193Gr.B8 | A193Gr.B8 |
| 22 | 螺帽NUT | A194.Gr.8 | A194.Gr.8 | A194.Gr.8 | A194.Gr.8 | A194Gr.8 | A194.Gr.8 |
浮动球阀采用柔性密封圈结构设计。当介质压力较低时,密封圈与球体的接触面积较小。减少摩擦和操作扭矩,同时保证密封性。当介质压力增大时,密封圈与球的接触面积随着密封圈的弹性变形而变大,因此密封圈能承受更高的介质冲击而不损坏。

低压浮动座

高压浮动座
阀门在使用过程中一旦发生火灾,聚四氟乙烯或其他非金属材料制成的阀座圈在高温下会分解或损坏,导致流体严重泄漏,对于易燃易爆介质来说是相当危险的。球体与阀座之间设置防火密封圈,阀座燃烧后,介质将球体迅速推向下游金属密封圈,形成辅助金属对金属密封结构,可有效控制阀门泄漏。另外,中间法兰密封垫片,即使在高温下也能保证密封。浮动球阀的防火结构设计符合APl607、APl6FA、BS 6755等标准的要求。
中间法兰防火结构设计

阀杆防火结构设计(燃烧后)

座椅防火结构设计

阀杆防火结构设计(正常使用)

球阀设计有防静电结构和静电排放装置,通过阀杆直接在球体与阀体之间形成静电通道,排出球体与阀座摩擦产生的静电,避免火灾或爆炸。可能是静电火花引起的,保证系统安全。


DN32及以上球阀防静电结构设计

DN32以下球阀防静电结构设计
阀杆底部设计有肩部,即使在阀腔内压力异常升高、压盖板失效等极端情况下,也不会被介质吹出,避免阀杆使用后泄漏。遇火燃烧阀杆填料,阀杆台肩与阀体接触处设置推力轴承,形成反向密封座。反向密封的密封力随着介质压力的增加而增加,从而保证在各种压力下阀杆密封可靠,防止泄漏,避免事故蔓延。阀杆设计了V型填料密封结构,V型填料密封结构采用V型填料密封结构。填料能有效地将压盖的压紧力和介质力转变为阀杆的密封力。根据用户的要求,

底部安装的阀杆在中压下不会被吹出

顶部安装的阀杆可能在中压下爆裂

压紧包装前

包装压紧后

弹簧加载包装机构
手动球阀可以通过锁锁定在全开或全关位置。带锁孔的90°启闭定位件设计可避免非授权操作人员误操作阀门,还可防止阀门开启或关闭,或因管道振动或不可预测因素引起的其他事故。尤其对于易燃易爆的石油、化工、医疗等工作管道或现场油管非常有效。阀杆头部安装手柄的部分采用扁平设计。阀门开启时,手柄与管道平行,保证阀门关闭指示正确。



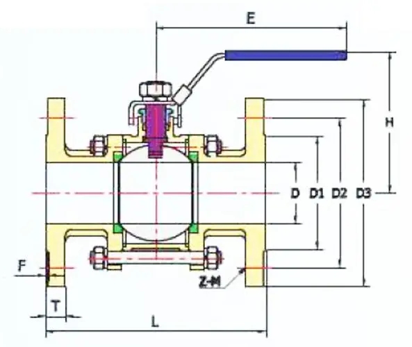
| SIZE | D | L | E | H | H1 | C | D1 | D2 | D3 | T | F | M-N | IS05211 | |
| DN15 | 1/2” | 15 | 130 | 112 | 48 | 9 | 9 | 46 | 65 | 95 | 14 | 2 | 4-14 | F03/F04 |
| DN20 | 3/4" | 20 | 140 | 112 | 62 | 9 | 9 | 56 | 75 | 105 | 14 | 2 | 4-14 | F03/F04 |
| DN25 | 1" | 25 | 150 | 136 | 64 | 11 | 11 | 65 | 85 | 115 | 14 | 2 | 4-14 | F04/F05 |
| DN32 | 1-1/4" | 32 | 165 | 185 | 71 | 11 | 11 | 78 | 100 | 135 | 16 | 2 | 4-18 | F04/F05 |
| DN40 | 1-1/2" | 38 | 180 | 198 | 76 | 14 | 14 | 84 | 110 | 145 | 16 | 2 | 4-18 | F05/F07 |
| DN50 | 2" | 50 | 200 | 198 | 84.5 | 14 | 14 | 100 | 125 | 160 | 16 | 2 | 4-18 | F05/F07 |
| DN65 | 2-1/2" | 64 | 220 | 265 | 106.8 | 17 | 17 | 120 | 145 | 185 | 18 | 2 | 4-18 | F07/F10 |
| DN80 | 3" | 78 | 250 | 265 | 116.0 | 17 | 17 | 135 | 160 | 195 | 20 | 2 | 8-18 | F07/F10 |
| DN100 | 4" | 100 | 280 | 325 | 154.5 | 17 | 17 | 156 | 180 | 215 | 20 | 2 | 8-18 | F07/F10 |
| SIZE | D | L | E | H | H1 | C | D1 | D2 | D3 | T | F | M-N | IS05211 | |
| DN15 | 1/2" | 15 | 108 | 112 | 48 | 9 | 9 | 35.0 | 60.5 | 89.0 | 10.5 | 1.6 | 4-16 | F03/F04 |
| DN20 | 3/4" | 20 | 117 | 112 | 62 | 9 | 9 | 43.0 | 70.0 | 98.6 | 10.5 | 1.6 | 4-16 | F03/F04 |
| DN25 | 1" | 25 | 127 | 136 | 64 | 11 | 11 | 51.0 | 79.2 | 108.0 | 10.5 | 1.6 | 4-16 | F04/F05 |
| DN32 | 1-1/4" | 32 | 140 | 185 | 71 | 11 | 11 | 63.5 | 88.9 | 117.5 | 11.2 | 1.6 | 4-16 | F04/F05 |
| DN40 | 1-1/2" | 38 | 165 | 198 | 76 | 14 | 14 | 73.2 | 98.6 | 127.0 | 12.7 | 1.6 | 4-16 | F05/F07 |
| DN50 | 2" | 50 | 178 | 198 | 84.5 | 14 | 14 | 92.0 | 120.7 | 152.5 | 14.3 | 1.6 | 4-19 | F05/F07 |
| DN65 | 2-1/2” | 64 | 190 | 265 | 106.8 | 17 | 17 | 104.7 | 139.7 | 177.8 | 15.9 | 1.6 | 4-19 | F07/F10 |
| DN80 | 3" | 78 | 203 | 265 | 116.0 | 17 | 17 | 127.0 | 152.4 | 190.5 | 17.5 | 1.6 | 4-19 | F07/F10 |
| DN1OO | 4" | 100 | 229 | 325 | 154.5 | 17 | 17 | 157.2 | 190.5 | 228.6 | 22.3 | 1.6 | 8-19 | F07/F10 |