服务热线
021-31262005


美国尼科NICO进口衬氟球阀可分为对分二片式和三片式两种结构型式,除具有的流体阻力小,启闭速度快,结构简单外,采用FEP衬里层的球阀具有极高的化学稳定性可以适用除“熔融碱金属和元素氟”,以外其它任何强腐蚀性质。衬氟球阀是用带圆形通孔的球体作启闭件,球体随阀杆绕阀体中心线旋转以实现阀门开启和关闭。采用特殊的模压工艺,使密封面致密良好,加之V型PTFE填料组合使阀门达到零泄漏;球体与阀杆铸为一体,杜绝了由于压力变化引起阀杆冲出承压件内的可能性,根本保证使用中的安全性;采用全塑料衬里工艺,耐介质的强腐蚀。
| 产品名称: | 衬氟球阀 | 产品型号: | NK41F46 |
| 公称通径: | DN15~DN300 | 结构形式: | 球形 |
| 公称压力: | 1.6Mpa~6.4Mpa | 连接方式: | 法兰、内螺纹 |
| 适用温度: | ≤450ºC | 驱动方式: | 手动、气动、电动 |
| 阀体材质: | 铸钢、不锈钢 | 制造标准: | 国标GB、德国DIN、美国API、ANSI |
| 适用介质: | 水、油、气体、导热油、液体 | 品牌名称: | 美国尼科NICO |
进口衬氟球阀采用全通径、浮动球结构,阀门可在整个压力范围内进行无泄漏关闭,更便于管路系统的通球扫线和管路维护。启闭件球件与阀杆铸(锻)为一体,杜绝了由于压力变化引起阀杆冲出承压件内的可能性,从根本上保证了工程中的使用安全性。结构紧凑合理,阀体内腔空间最小,减小了介质滞留,另外,特殊的模压工艺,使密封面致密度良好,加之人字环形PTFE填料组合,使阀门达到零泄漏。
1、衬氟球阀是一种具有的高耐腐蚀性和防止流体附着的性质适合于强酸、天然气、 食品等流体的阀门。
2、我公司生产的衬氟球阀具有防止流体滞留的独特内部构造.更加确保了内腔的耐久性和清洁。衬氟球阀本体安装备份橡胶,因橡胶的压缩反力,使球芯的外围被阀体反弹垫所包覆。
3、为了提高密封性,阀体中心部向 内侧稍微隆起。球芯紧密地被封住.使其具有 良好的密封性。
4、蚀性介质与所有驱动部件处於完全隔离的状态,从而杜绝了通常阀门的“跑、冒、滴、孺”等弊端。
5、在化工、制酸、制碱、冶炼、 稀土、农药等行业生产系统中应用较为广泛。
| 手动 | NK41F3 | 蜗轮 | NK341F3 |
| NK41F46 | NK341F46 | ||
| 气动 | NK641F3 | 电动 | NK941F3 |
| NK641F46 | NK941F46 |
| 设计标准 | GB12237 |
| 结构长度 | GB12221 |
| 法兰标准 | JB/T79-94 |
| GB9113.1-26 | |
| 检验试验 | JB/T9092-99 |
| 驱动方式 | 手动、电动、气动、蜗轮 |

| 序号 | 零件名称 | 灰铸铁 | 铸钢 | 不锈耐酸铸钢 | 超低碳不锈耐酸铸钢 | ||
| Z | C | P8 | R8 | R3 | R3 | ||
| 1 | 阀体/阀盖 | A216-C | A216-WCB | A351-CF8 | A351-CF8M | A351-CF3 | A351-CF3M |
| 2 | 球体/阀杆 | A216-WCB | A351-CF8 | A351-CF8M | A351-CF3 | A351-CF3M | |
| 3 | 衬里/阀座 | PTFE(F4)、PCTFE(F3)、FEP(F46)、PFA(可溶F4) | |||||
| 4 | 填料/压盖 | PTFE(F4) | A351-CF3 | A351-CF3 | |||
| 5 | 填料 | A216-WCB | A351-CF8 | A351-CF8 | |||
| 6 | 支架 | A193-B7 | A194-8 | A193-B8M | |||
| 7 | 紧固螺栓 | A193-B7 | A193-B8M | A194-8 | |||
| 8 | 螺母 | A194-2H | A194-8 | A194-8 | |||
| 9 | 操作手柄 | A216-WCB | A216-WCB | A216-WCB | |||

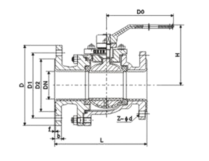
| 公称通经 | L | D | D1 | D2 | f | b | Z-φd | |
| DN(mm) | NPS(inch) | PN1.0MPa | ||||||
| 15 | 1/2 | 130 | 95 | 65 | 45 | 2 | 14 | 4-φ14 |
| 20 | 3/4 | 140 | 105 | 75 | 55 | 2 | 16 | 4-φ14 |
| 25 | 1 | 150 | 115 | 85 | 65 | 2 | 16 | 4-φ14 |
| 32 | 5/4 | 165 | 135 | 100 | 78 | 2 | 18 | 4-φ18 |
| 40 | 3/2 | 180 | 145 | 110 | 85 | 3 | 18 | 4-φ18 |
| 50 | 2 | 200 | 160 | 125 | 100 | 3 | 20 | 4-φ18 |
| 65 | 5/2 | 220 | 180 | 145 | 120 | 3 | 20 | 4-φ18 |
| 80 | 3 | 250 | 195 | 160 | 135 | 3 | 22 | 4-φ18 |
| 100 | 4 | 280 | 215 | 180 | 155 | 3 | 22 | 8-φ18 |
| 125 | 5 | 320 | 245 | 210 | 185 | 3 | 24 | 8-φ18 |
| 150 | 6 | 360 | 280 | 240 | 210 | 3 | 24 | 8-φ23 |
| 200 | 8 | 457 | 335 | 295 | 265 | 3 | 26 | 8-φ23 |
| 250 | 10 | 533 | 390 | 350 | 320 | 3 | 28 | 12-φ23 |
| 公称通经 | L | D | D1 | D2 | f | b | Z-φd | |
| DN(mm) | NPS(inch) | PN1.0MPa | ||||||
| 15 | 1/2 | 130 | 95 | 65 | 45 | 2 | 14 | 4-φ14 |
| 20 | 3/4 | 130 | 105 | 75 | 55 | 2 | 16 | 4-φ14 |
| 25 | 1 | 140 | 115 | 85 | 65 | 2 | 16 | 4-φ14 |
| 32 | 5/4 | 165 | 135 | 100 | 78 | 2 | 18 | 4-φ18 |
| 40 | 3/2 | 165 | 145 | 110 | 85 | 3 | 18 | 4-φ18 |
| 50 | 2 | 203 | 160 | 125 | 100 | 3 | 20 | 4-φ18 |
| 65 | 5/2 | 222 | 180 | 145 | 120 | 3 | 20 | 4-φ18 |
| 80 | 3 | 241 | 195 | 160 | 135 | 3 | 22 | 8-φ18 |
| 100 | 4 | 305 | 215 | 180 | 155 | 3 | 24 | 8-φ18 |
| 125 | 5 | 356 | 245 | 210 | 185 | 3 | 26 | 8-φ18 |
| 150 | 6 | 394 | 280 | 240 | 210 | 3 | 28 | 8-φ23 |
| 200 | 8 | 457 | 335 | 295 | 265 | 3 | 30 | 12-φ23 |