服务热线
021-31262005


进口立式热水离心泵是美国尼科NICO开发成功的一种结构新颖、技术先进的泵类产品。进口立式热水离心泵特别是在整体结构上进行大胆突破设计,采用独立轴承体、泵轴支撑、解决了原来立式泵靠电机加长轴支撑的不足之处。叶轮、泵体采用现代优秀水力模型设计制造,消除了原立式泵轴向力大的不足之处。电机采用NK系列标准通用电机,解决原立式泵加长轴电机配套更换难的问题:同时100%的便拆结构解决了更换大功率水泵的轴承,机械密封、叶轮、泵轴的难题。
公称通径:25~300mm
流量范围:5.3-1200(m3/h)
扬程范围:5~132m
功率范围:0.55~110KW
转速范围:1450r/min-2900r/min
温度范围 :-20℃~120℃
工作压力:≤1.6Mpa
泵体材质:WCB、304、316、四氟
1、立式结构,安装调试方便,独特设计的电机和泵体采用联接体联接,同心度高、加工精度高,占地面积大大减少,缩减了建筑投资。底脚稳固、结构紧凑,精美的铸造和外观处理赋予立式离心泵新的美感,使产品焕发艺术的魅力。
2、配用国内著名厂家生产的低速NK系列标准通用电机,运行平稳、噪音极低.
3、轴承采用国际著名品牌精密轴承,精度高、可靠性好,寿命长.
4、叶轮采用90年代优秀可自平衡轴向力的水力模型,使得泵轴承和机械密封使用寿命大大延长.
5、电机轴承座内的轴承都配有加油孔和放油孔,对轴承的维护保养十分方便.
6、可拆卸爪型弹性联轴器,使泵起动无振动、无噪音,旋转部件设有可靠的安全防护罩,安全性极好。
7、机械密封采用不锈钢、碳化钨、氟橡胶等材料制成,耐高温、高压、运行寿命长,无渗漏,对轴无磨损,保证工作环境整洁.
8、泵盖结构设计独特,只要卸下爪型弹性联轴器、泵盖螺母,即可十分轻便取出轴承座、泵盖、泵轴、叶轮等组合件,进行更换机械密封和叶轮,而不必拆卸电机、泵体和电机,维修方便快捷。
1、泵系统高工作压力为1.6MPa,即泵吸入口压力+泵扬程≤1.6MPa(泵扬程工作压力大于1.6MPa时应在订货另行提出,以便在制造时泵的过流部件和联接部件采用铸钢)。
2、输送介质为清水或物理化学性质类似清水的其它液体。(输送介质带有细小颗粒的应在订货时另行说明,以便装配耐磨式机械密封)。
3、环境温度≤40℃,海拔高度≤1000m,相对湿度≤95%。
4、液体温度:-15℃-120℃。

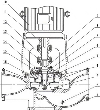
| 1 | 泵体 | 2 | 放水塞 | 3 | 叶轮 | 4 | 机械密封 | 5 | 放气阀 | 6 | 轴承体 | 7 | 轴承 | 8 | 泵轴 |
| 9 | 支架 | 10 | 机电 | 11 | 电机轴联器 | 12 | 中间轴联器 | 13 | 泵轴联器 | 14 | 油杯 | 15 | 轴承压盖 | 16 | 泵盖 |
泵体:管道连接式的螺旋形泵壳,采用现代优秀水力模型设计制造,法兰符合API4216.5,并带有Rp1/4或Rp3/8测压口。
叶轮:闭式铸铁叶轮,优秀水力模型和特殊的结构保证泵的效率,且可靠的消除泵的轴向力。
机械密封:勇于水温150℃以下免保养,并不接受转向限制。特殊的设计保证动环的补偿性和密封性。
泵轴:优化设计的泵轴和联轴器融为一体,缩减传动轴的尺寸,使泵更安全的运行,并且使整台泵的体积减小。
泵轴体:采用进口NTN或NSK精密轴承,噪音低、寿命长。
电机:NK或NK2系列鼠笼式交流电机,型式:NK5型。使用标准通用电机,维护、保养方便、快捷、大功率配有轴承润滑保养注油孔装置。
进口立式热水离心泵产品用途:主要用于工业、化工、石油、城市高层建筑给水,消防管道增压,暖通空调冷热水循环,远距离输水以及生产工艺循环增压输送。
1、高层建筑增压送热水
2、工厂系统输送热水
3、水处理系统加压
4、中央空调冷热水循环
5、锅炉系统输送
6、游泳池输温水
7、工艺流程中增压热水循环
| 序号 | 型号 | 流量Q | 扬程H m | 效率η % | 转速N r/min | 电机功率 KW | 必需汽蚀余量m | 重量kg | |
| m3/h | L/s | ||||||||
| 001 | LSRS40-12.5 | 4.4 6.3 8.3 | 1.22 1.75 2.31 | 13.2 12.5 11.3 | 48 54 53 | 2900 | 0.55 | 2.3 | 35 |
| 002 | LSRS40-12.5A | 3.9 5.6 7.4 | 1.08 1.56 2.06 | 10.6 10 9 | 52 | 2900 | 0.37 | 2.3 | 35 |
| 003 | LSRS40-20 | 4.4 6.3 8.3 | 1.22 1.75 2.31 | 21 20 18 | 41 46 43 | 2900 | 1.1 | 2.3 | 35 |
| 004 | LSRS40-20A | 3.9 5.6 7.4 | 1.08 1.56 2.06 | 17.6 16 14.4 | 40 45 41 | 2900 | 0.75 | 2.3 | 33 |
| 005 | LSRS40-32 | 4.4 6.3 8.3 | 1.22 1.75 2.31 | 23 32 30 | 35 40 40 | 2900 | 2.2 | 2.3 | 50 |
| 006 | LSRS40-32A | 4.1 5.9 7.8 | 1.14 1.64 2.17 | 29 28 26.3 | 34 39 39 | 2900 | 1.5 | 2.3 | 45 |
| 007 | LSRS40-32B | 3.8 5.5 7.2 | 1.06 1.53 2.00 | 25.5 24 22.5 | 34 38 37 | 2900 | 1.1 | 2.3 | 40 |
| 008 | LSRS40-50 | 4.4 6.3 8.3 | 1.22 1.75 2.31 | 51 50 48 | 26 33 32 | 2900 | 4.0 | 2.3 | 75 |
| 009 | LSRS40-50A | 4.1 5.9 7.8 | 1.14 1.64 2.17 | 45 44 42 | 20 31 30 | 2900 | 3.0 | 2.3 | 65 |
| 010 | LSRS40-50B | 3.7 5.3 7.0 | 1.03 1.47 1.94 | 38 36 34.5 | 29 | 2900 | 2.2 | 2.3 | 55 |
| 011 | LSRS40-80 | 4.4 6.3 8.3 | 1.22 1.75 2.31 | 82 80 74 | 24 28 28 | 2900 | 7.5 | 2.3 | 110 |
| 012 | LSRS40-80A | 4.1 5.9 7.8 | 1.14 1.64 2.17 | 72 70 65 | 24 28 27 | 2900 | 5.5 | 2.3 | 105 |
| 013 | LSRS40-80B | 3.8 5.5 7.2 | 1.06 1.53 2.00 | 61.5 60 56 | 23 27 26 | 2900 | 5.5 | 2.3 | 80 |
| 014 | LSRS40-12.5I | 8.8 12.5 16.3 | 2.44 3.47 4.53 | 13.2 12.5 11.3 | 55 62 60 | 2900 | 1.1 | 2.3 | 35 |
| 015 | LSRS40-12.5IA | 8 11 14.5 | 2.22 3.05 4.03 | 10.6 10 9 | 60 | 2900 | 0.75 | 2.3 | 32 |
| 016 | LSRS40-20I | 8.8 12.5 16.3 | 2.44 3.47 4.53 | 21.5 20 17.8 | 49 58 57 | 2900 | 1.5 | 2.3 | 40 |
| 017 | LSRS40-20IA | 8 11 14.5 | 2.22 3.05 4.03 | 17 16 14 | 57 | 2900 | 1.1 | 2.3 | 35 |
| 018 | LSRS40-32I | 8.8 12.5 16.3 | 2.44 3.47 4.53 | 33 32 30 | 45 52 51 | 2900 | 3.0 | 2.3 | 60 |
| 019 | LSRS40-32IA | 8.2 11.7 15.2 | 2.28 3.25 4.22 | 29 28 26 | 44 51 50 | 2900 | 2.2 | 2.3 | 50 |
| 020 | LSRS40-32IB | 7.3 10.4 13.5 | 2.38 2.89 3.75 | 26 24 20 | 50 | 2900 | 1.5 | 2.3 | 45 |
| 021 | LSRS40-50I | 8.8 12.5 16.3 | 2.44 3.47 4.53 | 51.2 50 48 | 38 46 46 | 2900 | 5.5 | 2.3 | 90 |
| 022 | LSRS40-50IA | 8.3 11.7 15.3 | 2.31 3.25 4.25 | 45 44 42 | 37 46 45 | 2900 | 4.0 | 2.3 | 80 |
| 023 | LSRS40-50IB | 7.5 10.6 13.8 | 2.08 2.94 3.83 | 37 36 34 | 40 | 2900 | 3.0 | 2.3 | 70 |
| 024 | LSRS40-80I | 8.8 12.5 16.3 | 2.44 3.47 4.53 | 81.2 80 77.5 | 31 38 40 | 2900 | 11.0 | 2.3 | 150 |
| 025 | LSRS40-80IA | 8.2 11.6 15.2 | 2.28 3.22 4.22 | 71 70 68 | 38 | 2900 | 7.5 | 2.3 | 100 |
| 026 | LSRS40-80IB | 7.6 10.8 14 | 2.11 3.0 3.89 | 61.4 60 58 | 37 | 2900 | 7.5 | 2.3 | 95 |
| 027 | LSRS40-80IC | 7.1 10.1 13.1 | 1.97 2.87 3.64 | 53.2 52 50.4 | 36 | 2900 | 5.5 | 2.3 | 90 |
| 028 | LSRS50-12.5 | 8.8 12.5 16.3 | 2.44 3.47 4.53 | 13.6 12.5 11.3 | 55 62 60 | 2900 | 1.1 | 2.3 | 40 |
| 029 | LSRS50-12.5A | 8 11 14.5 | 2.22 3.05 4.03 | 11 10 9 | 60 | 2900 | 0.75 | 2.3 | 35 |
| 030 | LSRS50-20 | 8.8 12.5 16.3 | 2.44 3.47 4.53 | 21.5 20 17.8 | 49 58 57 | 2900 | 1.5 | 2.3 | 45 |
| 031 | LSRS50-20A | 8 11 14.5 | 2.22 3.05 4.03 | 17 16 14 | 57 | 2900 | 1.1 | 2.3 | 40 |
| 032 | LSRS50-32 | 8.8 12.5 16.3 | 2.44 3.47 4.53 | 33 32 30 | 45 52 51 | 2900 | 3.0 | 2.3 | 60 |
| 033 | LSRS50-32A | 8.2 11.7 15.2 | 2.28 3.25 4.22 | 29 28 26 | 44 51 50 | 2900 | 2.2 | 2.3 | 50 |
| 034 | LSRS50-32B | 7.3 10.4 13.5 | 2.38 2.89 3.75 | 23 22 20.5 | 50 | 2900 | 1.5 | 2.3 | 46 |
| 035 | LSRS50-50 | 8.8 12.5 16.3 | 2.44 3.47 4.53 | 52 50 48 | 38 46 46 | 2900 | 5.5 | 2.3 | 405 |
| 036 | LSRS50-50A | 8.3 11.7 15.3 | 2.31 3.25 4.25 | 45.8 44 42 | 37 45 45 | 2900 | 4.0 | 2.3 | 85 |
| 037 | LSRS50-50B | 7.5 10.6 13.8 | 2.08 2.94 3.83 | 40 38 35 | 44 | 2900 | 3.0 | 2.3 | 70 |
| 038 | LSRS50-80 | 8.8 12.5 16.3 | 2.44 3.47 4.53 | 82 80 77.5 | 29 38 40 | 2900 | 11.0 | 2.3 | 160 |
| 039 | LSRS50-80A | 8.2 11.6 15.2 | 2.28 3.22 4.22 | 71.5 70 68 | 29 38 41 | 2900 | 7.5 | 2.3 | 120 |
| 040 | LSRS50-80B | 7.6 10.8 14 | 2.11 3.0 3.89 | 61.5 60 58 | 27.5 37 40 | 2900 | 7.5 | 2.3 | 115 |
| 041 | LSRS50-80C | 7.1 10.0 13.1 | 1.97 2.78 3.64 | 53.2 52 50.4 | 27 36 39 | 2900 | 5.5 | 2.3 | 110 |
| 042 | LSRS50-12.5I | 17.5 25 32.5 | 4.86 6.97 9.03 | 13.7 12.5 10.5 | 67 69 69 | 2900 | 1.5 | 2.5 | 45 |
| 043 | LSRS50-12.5IA | 15.6 22.3 29 | 4.3 6.19 8.1 | 11 10 8.4 | 65 67 68 | 2900 | 1.1 | 2.5 | 40 |
| 044 | LSRS50-20I | 17.5 25 32.5 | 4.86 6.94 9.03 | 21.5 20 18 | 60 68 67 | 2900 | 3.0 | 2.5 | 60 |
| 045 | LSRS50-20IA | 15.6 22.3 29 | 1.33 6.19 8.1 | 17.5 16 13.6 | 58 66 65 | 2900 | 2.2 | 2.5 | 50 |
| 046 | LSRS50-32I | 17.5 25 32.5 | 4.86 6.94 9.03 | 34.4 32 27.5 | 55 63 60 | 2900 | 4.0 | 2.5 | 75 |
| 047 | LSRS50-32IA | 16.4 23.4 30.4 | 4.56 6.5 8.44 | 30 28 24 | 54 62 59 | 2900 | 4.0 | 2.5 | 75 |
| 048 | LSRS50-32IB | 15.0 21.6 28 | 4.17 6.0 7.78 | 26 24 20.6 | 61 | 2900 | 3.0 | 2.5 | 65 |
| 049 | LSRS50-50I | 17.5 25 32.5 | 4.86 6.94 9.03 | 52.7 50 45.5 | 49 58 59 | 2900 | 7.5 | 2.5 | 110 |
| 050 | LSRS50-50IA | 16.4 23.5 30.5 | 4.56 6.53 8.47 | 46.4 44 40 | 48 57 58 | 2900 | 7.5 | 2.5 | 110 |
| 051 | LSRS50-50IB | 15.2 21.8 28.3 | 4.22 6.06 7.86 | 40.5 38 34.5 | 55 | 2900 | 5.5 | 2.5 | 100 |
| 052 | LSRS50-80I | 17.5 25 32.5 | 4.86 6.94 9.03 | 82 80 76.5 | 39 50 52 | 2900 | 15.0 | 2.5 | 175 |
| 053 | LSRS50-80IA | 16.4 23.4 30.5 | 4.56 6.5 8.47 | 71.5 70 67 | 39 51 52 | 2900 | 11.0 | 2.5 | 165 |
| 054 | LSRS50-80IB | 15 21.6 28 | 4.17 6.0 7.78 | 61 60 58 | 38 50 54 | 2900 | 11.0 | 2.5 | 165 |
| 055 | LSRS50-125I | 17.3 25 32.5 | 4.6 6.94 9.03 | 128 125 122 | 31 40 44 | 2900 | 30.0 | 2.5 | 310 |
| 056 | LSRS50-125IA | 16.6 23.7 31 | 4.61 6.58 8.6 | 115 113 110 | 30 40 44 | 2900 | 22.0 | 2.5 | 250 |
| 057 | LSRS50-125I | 15.7 22.5 29.2 | 4.36 6.25 8.0 | 103 101 98 | 39 | 2900 | 18.5 | 2.5 | 215 |
| 058 | LSRS50-125IC | 14.4 20.6 26.8 | 4.0 5.72 7.44 | 86 85 83 | 38 | 2900 | 15.0 | 2.5 | 195 |
| 059 | LSRS65-12.5 | 17.5 25 32.5 | 4.86 6.94 9.03 | 13.7 12.5 10.5 | 67 69 69 | 2900 | 1.5 | 2.5 | 45 |
| 060 | LSRS65-12.5A | 15.6 22.3 29 | 4.3 6.19 8.1 | 11 10 8.4 | 65 67 68 | 2900 | 1.1 | 2.5 | 40 |
| 061 | LSRS65-20 | 17.5 25 32.5 | 4.86 6.94 9.03 | 22 20 18 | 60 68 67 | 2900 | 3.0 | 2.5 | 60 |
| 062 | LSRS65-20A | 15.6 22.3 29 | 4.33 6.19 8.1 | 17.5 16 14.4 | 58 66 65 | 2900 | 2.2 | 2.5 | 50 |
| 063 | LSRS65-32 | 17.5 25 32.5 | 4.86 6.94 9.03 | 34.4 32 27.5 | 54 63 60 | 2900 | 4.0 | 2.5 | 75 |
| 064 | LSRS65-32A | 16.4 23.4 30.1 | 4.56 6.5 8.44 | 30 28 24.5 | 54 62 59 | 2900 | 4.0 | 2.5 | 75 |
| 065 | LSRS65-32B | 15 21.6 28 | 4.17 6.0 7.78 | 26 24 21 | 51 61 60 | 2900 | 3.0 | 2.5 | 65 |
| 066 | LSRS65-50 | 17.5 25 32.5 | 4.86 6.94 9.03 | 52.7 50 45.5 | 49 58 59 | 2900 | 7. | 2.5 | 110 |
| 067 | LSRS65-50A | 16.4 23.5 30.5 | 4.56 6.53 8.47 | 46.4 44 40 | 48 57 58 | 2900 | 57. | 2.5 | 110 |
| 068 | LSRS65-50 | 15.2 21.8 28.3 | 4.22 6.06 7.86 | 40.5 38 34 | 55 | 2900 | 55.5 | 2.5 | 100 |
| 069 | LSRS65-80 | 17.5 25 32.5 | 4.86 6.94 9.03 | 82 80 76.5 | 39 50 52 | 2900 | 15.0 | 2.5 | 185 |
| 070 | LSRS65-80A | 16.4 23.4 30.5 | 4.56 6.5 8.47 | 71.5 70 67 | 39 50 52 | 2900 | 11.0 | 2.5 | 170 |
| 071 | LSRS65-80B | 15 21.6 28 | 4.17 6.0 7.78 | 61 60 58 | 38 49 54 | 2900 | 11.0 | 2.5 | 170 |
| 072 | LSRS65-125 | 17.5 25 32.5 | 4.86 6.94 9.03 | 127 125 122 | 32 40 44 | 2900 | 30.0 | 2.5 | 320 |
| 073 | LSRS65-125A | 16.6 23.7 31 | 4.61 6.58 8.6 | 115 113 110 | 32 40 44 | 2900 | 22.0 | 2.5 | 260 |
| 074 | LSRS65-125B | 15.7 22.5 29.2 | 4.36 6.25 8.0 | 103 101 98 | 39 | 2900 | 18.5 | 2.5 | 225 |
| 075 | LSRS65-125C | 14.4 20.6 26.8 | 4.0 5.72 7.44 | 86 85 83 | 38 | 2900 | 15.0 | 2.5 | 210 |
| 076 | LSRS65-12.5I | 35 50 65 | 9.72 13.9 18.1 | 13.8 12.5 10 | 67 73 70 | 2900 | 3.0 | 3.0 | 65 |
| 077 | LSRS65-12.5IA | 31.3 44.7 58 | 8.7 12.4 16.1 | 11 10 8 | 66 72 69 | 2900 | 2.2 | 3.0 | 55 |
| 078 | LSRS65-20I | 35 50 65 | 9.72 13.9 18.1 | 22 20 17 | 67 72.5 70 | 2900 | 5.5 | 3.0 | 100 |
| 079 | LSRS65-20IA | 31.3 45 58 | 8.7 12.5 16.1 | 17.5 16 13.6 | 60 71 69 | 2900 | 4.0 | 3.0 | 80 |
| 080 | LSRS65-32I | 35 50 65 | 9.72 13.9 18.1 | 35 32 28 | 63 71 70 | 2900 | 7.5 | 3.0 | 105 |
| 081 | LSRS65-32IA | 32.7 46.7 61 | 9.1 13.0 16.9 | 30.6 28 25 | 62 70 69 | 2900 | 7.5 | 3.0 | 105 |
| 082 | LSRS65-32IB | 30.0 43.3 56.3 | 8.4 12.0 15.6 | 26 24 21 | 69 | 2900 | 5.5 | 3.0 | 95 |
| 083 | LSRS65-50I | 35 50 65 | 9.72 13.9 18.1 | 53.5 50 46 | 55 67 68 | 2900 | 15.0 | 3.0 | 180 |
| 084 | LSRS65-50IA | 32.8 47 61 | 9.1 13.1 16.9 | 47 44 40 | 54 66 67 | 2900 | 11.0 | 3.0 | 165 |
| 085 | LSRS65-50IB | 30.5 43.5 56.6 | 8.5 12.1 15.7 | 40.6 38 33.4 | 65 | 2900 | 7.5 | 3.0 | 115 |
| 086 | LSRS65-80I | 35 50 65 | 9.7 13.9 18.1 | 83 80 72 | 52 59 60 | 2900 | 22.0 | 3.0 | 235 |
| 087 | LSRS65-80IA | 32.5 46.7 61 | 9.0 13.0 16.9 | 73 70 63 | 52 59 60 | 2900 | 18.5 | 3.0 | 205 |
| 088 | LSRS65-80IB | 30 43.3 56 | 8.3 12.0 15.6 | 63 60 54 | 58 | 2900 | 15.0 | 3.0 | 180 |
| 089 | LSRS65-125I | 35 50 65 | 9.72 13.9 18.1 | 128 125 121 | 44 54 57 | 2900 | 37.0 | 3.0 | 350 |
| 090 | LSRS65-125IA | 32.5 46.5 60.5 | 9.0 12.9 16.8 | 116 113 110 | 43 54 57 | 2900 | 30.0 | 3.0 | 335 |
| 091 | LSRS65-125IB | 31 44.5 58 | 8.6 12.4 16.1 | 103 101 97 | 40 53 56 | 2900 | 30.0 | 3.0 | 335 |
| 092 | LSRS65-125IC | 29 41 43.6 | 8.1 11.4 14.9 | 87 85 83 | 39 51 55 | 2900 | 22.0 | 3.0 | 270 |
| 093 | LSRS80-12.5 | 35 50 65 | 9.72 13.9 18.1 | 13.8 12.5 10 | 67 73 70 | 2900 | 3.0 | 3.0 | 65 |
| 094 | LSRS80-12.5A | 31.3 44.7 58 | 8.7 12.5 16.1 | 11 10 8 | 66 72 69 | 2900 | 2.2 | 3.0 | 60 |
| 095 | LSRS80-20 | 35 50 65 | 9.72 13.9 18.1 | 22 20 17 | 67 72.5 70 | 2900 | 5.5 | 3.0 | 100 |
| 096 | LSRS80-20A | 31.3 45 58 | 8.7 12.5 16.1 | 17.5 16 13.6 | 66 71 69 | 2900 | 4.0 | 3.0 | 80 |
| 097 | LSRS80-32 | 35 50 65 | 9.72 13.9 18.1 | 35 32 28 | 63 71 70 | 2900 | 7.5 | 3.0 | 105 |
| 098 | LSRS80-32A | 32.7 46.7 61 | 9.1 13.0 16.9 | 30.6 28 25 | 62 70 69 | 2900 | 7.5 | 3.0 | 105 |
| 099 | LSRS80-32B | 30.3 43.3 56.3 | 8.4 12.0 15.6 | 27 24 20 | 69 | 2900 | 5.5 | 3.0 | 100 |
| 100 | LSRS80-50 | 35 50 65 | 9.72 13.9 18.1 | 53.3 50 46 | 55 67 68 | 2900 | 15.0 | 3.0 | 175 |
| 101 | LSRS80-50A | 32.8 47 61 | 9.1 13.1 16.9 | 47 44 40 | 54 66 67 | 2900 | 11.0 | 3.0 | 170 |
| 102 | LSRS80-50B | 30.5 43.5 56.6 | 8.5 12.1 15.7 | 40.6 38 33.4 | 53 65 67 | 2900 | 7.5 | 3.0 | 120 |
| 103 | LSRS80-80 | 35 50 65 | 9.72 13.9 18.1 | 83 80 72 | 52 59 60 | 2900 | 22.0 | 3.0 | 240 |
| 104 | LSRS80-80A | 32.5 46.7 61 | 9.0 13.0 16.9 | 73 70 64 | 52 59 60 | 2900 | 18.5 | 3.0 | 210 |
| 105 | LSRS80-80B | 30 43.3 56 | 8.3 12.0 15.6 | 63 60 54 | 58 | 2900 | 15.0 | 3.0 | 190 |
| 106 | LSRS80-125 | 35 50 65 | 9.72 13.9 18.1 | 128 125 122 | 43 54 57 | 2900 | 37.0 | 3.0 | 360 |
| 107 | LSRS80-125A | 32.5 46.5 60.5 | 9 12.9 16.8 | 116 113 110 | 42 53 56 | 2900 | 30.0 | 3.0 | 345 |
| 108 | LSRS80-125B | 31 44.5 58 | 8.6 12.4 16.1 | 103 101 97 | 53 | 2900 | 30.0 | 3.0 | 340 |
| 109 | LSRS80-125C | 29 41 53.6 | 8.1 11.4 14.9 | 98 85 83 | 51 | 2900 | 22.0 | 3.0 | 375 |
| 110 | LSRS80-12.5I | 70 100 130 | 19.4 27.8 36.1 | 13.6 12.5 11 | 66 76 75 | 2900 | 5.5 | 4.5 | 110 |
| 111 | LSRS80-12.5IA | 62.6 89 116 | 17.4 24.7 32.2 | 11 10 8.8 | 64 74 74 | 2900 | 4.0 | 4.5 | 85 |
| 112 | LSRS80-20I | 70 100 130 | 19.4 27.8 36.1 | 23.5 20 14 | 70 76 72 | 2900 | 11.0 | 4.5 | 165 |
| 113 | LSRS80-20IA | 62.6 89 116 | 17.4 24.7 32.2 | 19 16 11 | 68 74 65 | 2900 | 7.5 | 4.5 | 130 |
| 114 | LSRS80-32I | 70 100 130 | 19.4 27.8 36.1 | 36.5 32 24 | 70 76 65 | 2900 | 15.0 | 4.5 | 185 |
| 115 | LSRS80-32IA | 65.4 93.5 121.6 | 18.2 26.0 33.8 | 32 28 21 | 68 74 67 | 2900 | 11.0 | 4.5 | 175 |
| 116 | LSRS80-32IB | 60.6 86.6 112.5 | 16.8 24.1 31.3 | 27 24 18 | 72 | 2900 | 11.0 | 4.5 | 175 |
| 117 | LSRS80-50I | 70 100 130 | 19.4 27.8 36.1 | 54 50 42 | 65 74 73 | 2900 | 22.0 | 4.5 | 250 |
| 118 | LSRS80-50IA | 65.4 93.5 121.6 | 18.2 26.4 33.8 | 47.5 44 39 | 64 73 72 | 2900 | 18.5 | 4.5 | 220 |
| 119 | LSRS80-50IB | 61 87 113 | 16.9 24.2 31.4 | 41 38 32 | 71 | 2900 | 15.0 | 4.5 | 200 |
| 120 | LSRS80-80I | 70 100 130 | 19.4 27.8 36.1 | 87 80 68 | 62 69 68 | 2900 | 37.0 | 4.5 | 330 |
| 121 | LSRS80-80IA | 65.4 93.5 121.6 | 18.2 26.0 33.8 | 76 70 59.5 | 61 68 67 | 2900 | 30.0 | 4.5 | 315 |
| 122 | LSRS80-80IB | 61 87 113 | 16.9 24.2 31.4 | 65 60 51 | 66 | 2900 | 30.0 | 4.5 | 315 |
| 123 | LSRS80-125I | 70 100 130 | 19.4 27.8 36.1 | 132 125 114 | 55 66 67 | 2900 | 75.0 | 4.5 | 675 |
| 124 | LSRS80-125IA | 66.5 95 123.6 | 18.5 26.4 34.3 | 119 113 104 | 55 66 67 | 2900 | 55.0 | 4.5 | 535 |
| 125 | LSRS80-125IB | 63 90 117 | 17.5 25 32.5 | 106.6 101 92 | 65 | 2900 | 45.0 | 4.0 | 425 |
| 126 | LSRS80-125IC | 58 82 107 | 16.1 22.8 29.7 | 90 85 76 | 63 | 2900 | 37.0 | 4.0 | 370 |
| 127 | LSRS100-12.5 | 70 100 130 | 19.4 27.8 36.1 | 13.6 12.5 11 | 66 76 75 | 2900 | 5.5 | 4.5 | 115 |
| 128 | LSRS100-12.5A | 62.6 89 116 | 17.4 24.7 32.2 | 11 10 8.8 | 64 74 74 | 2900 | 4.0 | 4.5 | 90 |
| 129 | LSRS100-20 | 70 100 130 | 19.4 27.8 36.1 | 23.5 20 14 | 70 76 65 | 2900 | 11.0 | 4.5 | 170 |
| 130 | LSRS100-20A | 62.6 89 116 | 17.4 24.7 32.2 | 19 16 11 | 68 74 63 | 2900 | 7.5 | 4.5 | 120 |
| 131 | LSRS100-32 | 70 100 130 | 19.4 27.8 36.1 | 36.5 32 24 | 70 76 65 | 2900 | 15.0 | 4.5 | 200 |
| 132 | LSRS100-32A | 65.4 93.5 121.6 | 18.2 26.0 33.8 | 32 28 21 | 68 74 67 | 2900 | 11.0 | 4.5 | 185 |
| 133 | LSRS100-32B | 60.6 86.6 112.5 | 16.8 24.1 31.3 | 27 24 18 | 72 | 2900 | 11.0 | 4.5 | 180 |
| 134 | LSRS100-50 | 70 100 130 | 19.4 27.8 36.1 | 54 50 42 | 65 74 73 | 2900 | 22.0 | 4.0 | 245 |
| 135 | LSRS100-50A | 65.4 93.5 121.6 | 18.2 26.0 33.8 | 47.5 44 37 | 64 73 72 | 2900 | 18.5 | 4.0 | 215 |
| 136 | LSRS100-50B | 61 87 113 | 16.9 24.2 31.4 | 41 38 34 | 71 | 2900 | 15.0 | 4.0 | 195 |
| 137 | LSRS100-80 | 70 100 130 | 19.4 27.8 36.1 | 87 80 68 | 62 69 68 | 2900 | 37.0 | 4.0 | 345 |
| 138 | LSRS100-80A | 65.4 93.5 121.6 | 18.2 26.0 33.8 | 76 70 59.5 | 61 68 67 | 2900 | 30.0 | 4.0 | 330 |
| 139 | LSRS100-80B | 61 87 113 | 16.9 24.2 31.4 | 65 60 51 | 67 | 2900 | 30.0 | 4.0 | 330 |
| 140 | LSRS100-125 | 70 100 130 | 19.4 27.8 36.1 | 132 125 114 | 55 66 67 | 2900 | 75.0 | 4.0 | 685 |
| 141 | LSRS100-125A | 66.5 95 123.6 | 18.5 26.4 34.3 | 119 113 104 | 55 66 67 | 2900 | 55.0 | 4.0 | 550 |
| 142 | LSRS100-125 | 63 90 117 | 17.5 25.0 32.5 | 106.6 101 92 | 65 | 2900 | 45.0 | 4.0 | 440 |
| 143 | LSRS100-125C | 58 82 107 | 16.1 22.8 29.7 | 90 85 76 | 63 | 2900 | 37.0 | 4.0 | 385 |
| 144 | LSRS125-12.5 | 96 160 192 | 26.7 44.4 53.3 | 13 12.5 12 | 78 82 84 | 2900 | 11.0 | 4.0 | 180 |
| 145 | LSRS125-12.5A | 86 143 172 | 23.9 39.7 47.8 | 10.4 10 9.6 | 77 | 2900 | 7.5 | 4.0 | 130 |
| 146 | LSRS125-20 | 96 160 192 | 26.7 44.4 53.3 | 22.6 20 17 | 76 80 78 | 2900 | 15.0 | 4.0 | 225 |
| 147 | LSRS125-20A | 86 143 172 | 23.9 39.7 47.8 | 18 16 13.6 | 73 77 75 | 2900 | 11.0 | 4.0 | 210 |
| 148 | LSRS125-32 | 96 160 192 | 26.7 44.4 53.3 | 36 32 28 | 78 | 2900 | 22.0 | 4.0 | 265 |
| 149 | LSRS125-32A | 90 150 180 | 25 41.7 50 | 31.5 28 24.5 | 76 | 2900 | 18.5 | 4.0 | 230 |
| 150 | LSRS125-32 | 83 138 166 | 21.7 38.3 46.1 | 27 24 21 | 73 | 2900 | 15.0 | 4.0 | 215 |
| 151 | LSRS125-50 | 96 160 192 | 26.7 44.4 53.3 | 55 50 46 | 69 79 78 | 2900 | 37.0 | 5.0 | 400 |
| 152 | LSRS125-50A | 90 150 180 | 25 41.7 50 | 48.4 44 40.5 | 64 74 73 | 2900 | 30.0 | 5.0 | 380 |
| 153 | LSRS125-50B | 83 138 166 | 21.8 38.3 46.1 | 41.3 37.5 34.5 | 72 | 2900 | 22.0 | 5.0 | 325 |
| 154 | LSRS125-80 | 96 160 192 | 26.7 44.4 53.3 | 87 80 73 | 65 77 74 | 2900 | 55.0 | 4.5 | 580 |
| 155 | LSRS125-80A | 90 150 180 | 25 41.7 50 | 76 70 64 | 74 | 2900 | 45.0 | 4.5 | 495 |
| 156 | LSRS125-80B | 83 138 166 | 21.7 38.3 46.1 | 65 60 55 | 73 | 2900 | 37.0 | 4.5 | 430 |
| 157 | LSRS125-125 | 96 160 192 | 26.7 44.7 53.3 | 133 125 119 | 70 72 68 | 2900 | 90.0 | 4.5 | 800 |
| 158 | LSRS125-125A | 90 150 180 | 25 41.7 50 | 117 110 104.6 | 65 70 71 | 2900 | 75.0 | 4.5 | 715 |
| 159 | LSRS125-125B | 86 143 172 | 23.8 39.7 47.8 | 106.4 100 95.2 | 65 69 66 | 2900 | 75.0 | 4.5 | 710 |
| 160 | LSRS125-125C | 80.5 134 161 | 22.4 37.2 44.7 | 96 88 86 | 68 | 2900 | 55.0 | 4.5 | 590 |
| 161 | LSRS125-32I | 120 200 240 | 33.3 55.6 66.7 | 35 32 28 | 64 76 75 | 2900 | 30.0 | 4.5 | 325 |
| 162 | LSRS125-32IA | 112 187 224 | 31.1 51.9 62.2 | 31.5 28 24 | 63 75 75 | 2900 | 22.0 | 4.5 | 295 |
| 163 | LSRS125-50I | 120 200 240 | 33.3 55.6 66.7 | 55 50 46 | 63 74 73 | 2900 | 45.0 | 4.5 | 430 |
| 164 | LSRS125-50IA | 112 187 224 | 31.1 51.9 62.2 | 48.4 44 40 | 62 73 73 | 2900 | 37.0 | 4.5 | 420 |
| 165 | LSRS125-50IB | 104 173 208 | 28.9 48.1 57.8 | 41 37 34.5 | 61 72 73 | 2900 | 30.0 | 4.5 | 410 |
| 166 | LSRS125-80I | 120 200 240 | 33.3 55.6 66.7 | 87 80 72 | 65 76 74 | 2900 | 75.0 | 4.5 | 685 |
| 167 | LSRS125-80IA | 112 187 224 | 31.1 51.9 62.2 | 76 70 63 | 64 75 73 | 2900 | 55.0 | 4.5 | 545 |
| 168 | LSRS125-80IB | 104 173 208 | 28.9 48.1 57.8 | 65 60 54 | 63 74 72 | 2900 | 45.0 | 4.5 | 460 |
| 169 | LSRS125-125I | 120 200 240 | 33.3 55.6 66.7 | 133 125 120 | 58 73 75 | 2900 | 110.0 | 4.5 | 950 |
| 170 | LSRS125-125IA | 112 187 224 | 31.1 51.9 62.2 | 116 110 105 | 57 72 74 | 2900 | 90.0 | 4.5 | 785 |
| 171 | LSRS125-125IB | 104 173 208 | 28.9 48.1 57.8 | 100 95 91 | 55 70 72 | 2900 | 75.0 | 4.5 | 750 |
| 172 | LSRS150-12.5 | 112 160 208 | 31.1 44.4 57.8 | 13.5 12.5 10 | 60 72 66 | 1450 | 11.0 | 3.5 | 200 |
| 173 | LSRS150-12.5A | 98 140 182 | 27.2 39 50.6 | 11 10 8.5 | 68 70 71 | 1450 | 7.5 | 3.5 | 180 |
| 174 | LSRS150-20 | 112 160 208 | 31.1 44.4 57.8 | 23.5 20 14 | 66 71 66 | 1450 | 15.0 | 3.5 | 250 |
| 175 | LSRS150-20A | 98 140 182 | 27.2 39 50.6 | 19 17 11 | 65 70 66 | 1450 | 11.0 | 3.5 | 230 |
| 176 | LSRS150-20B | 84 120 156 | 23.3 33.3 43.3 | 15.5 14 10 | 62 70 68 | 1450 | 7.5 | 3.5 | 200 |
| 177 | LSRS150-32 | 112 160 208 | 31.1 44.4 57.8 | 33 32 28 | 62 70 80 | 1450 | 22.0 | 3.5 | 280 |
| 178 | LSRS150-32A | 98 140 182 | 27.2 39 50.6 | 29 28 26.6 | 60 71 80 | 1450 | 18.5 | 3.5 | 270 |
| 179 | LSRS150-32B | 84 120 156 | 23.3 33.3 43.3 | 25 24 22.5 | 66 71 70 | 1450 | 15.0 | 3.5 | 250 |
| 180 | LSRS150-50 | 112 160 208 | 31.1 44.4 57.8 | 52 50 42 | 60 72 80 | 1450 | 37.0 | 3.5 | 515 |
| 181 | LSRS150-50A | 98 140 182 | 27.2 39 50.6 | 46 44 39 | 60 70 80 | 1450 | 30.0 | 3.5 | 500 |
| 182 | LSRS150-50B | 84 120 156 | 23.3 33.3 43.3 | 41 38 30 | 66 70 73 | 1450 | 22.0 | 3.5 | 480 |
| 183 | LSRS150-80 | 112 160 208 | 31.1 44.4 57.8 | 83 80 75 | 67 72 69 | 1450 | 55.0 | 3.5 | 900 |
| 184 | LSRS150-80A | 98 140 182 | 27.2 39 50.6 | 73 70 66 | 65 70 67 | 1450 | 45.0 | 3.5 | 765 |
| 185 | LSRS150-80B | 84 120 156 | 23.3 33.3 43.3 | 65 60 56 | 62 67 65 | 1450 | 37.0 | 3.5 | 660 |
| 186 | LSRS150-80C | 120 200 240 | 33.3 55.6 66.7 | 87 80 72 | 65 76 74 | 1450 | 75.0 | 4.2 | 710 |
| 187 | LSRS150-80A | 112 187 224 | 31.1 51.9 62.2 | 76 70 63 | 64 75 73 | 2900 | 55.0 | 4.2 | 560 |
| 188 | LSRS150-80B | 104 173 208 | 28.9 48.1 57.8 | 65 60 54 | 63 74 72 | 2900 | 45.0 | 4.2 | 465 |
| 189 | LSRS150-125 | 120 200 240 | 33.3 55.6 66.7 | 133 125 120 | 58 73 75 | 2900 | 110.0 | 4.5 | 980 |
| 190 | LSRS150-125A | 112 187 224 | 31.1 51.9 62.2 | 116 110 105 | 57 72 74 | 2900 | 90.0 | 4.5 | 805 |
| 191 | LSRS150-125B | 104 173 208 | 28.9 48.1 57.8 | 100 95 91 | 55 70 72 | 2900 | 75.0 | 4.5 | 725 |
| 192 | LSRS150-12.5I | 140 200 260 | 38.9 55.6 72.2 | 13.8 12.5 10.6 | 68 78 78 | 1450 | 15.0 | 3.0 | 265 |
| 193 | LSRS150-12.5IA | 125 179 233 | 34.7 49.7 64.6 | 11 10 8.5 | 66 76 76 | 1450 | 11.0 | 3.0 | 245 |
| 194 | LSRS150-20I | 140 200 260 | 38.9 55.6 72.2 | 21.8 20 17 | 73 79 77 | 1450 | 18.5 | 3.0 | 300 |
| 195 | LSRS150-20IA | 129 184 240 | 35.8 51.2 66.7 | 18.5 17 14.4 | 72 78 76 | 1450 | 15.0 | 3.0 | 265 |
| 196 | LSRS150-20IB | 117 167 217.5 | 32.5 46.4 60.4 | 15.2 14 12 | 71 76 74 | 1450 | 11.0 | 3.0 | 245 |
| 197 | LSRS150-32I | 140 200 260 | 38.9 55.6 72.2 | 33.8 32 28 | 70 78 73 | 1450 | 30.0 | 3.5 | 410 |
| 198 | LSRS150-32IA | 131 187 243 | 36.4 51.9 67.5 | 29.5 28 24.5 | 69 77 77 | 1450 | 22.0 | 3.5 | 335 |
| 199 | LSRS150-32IB | 121 173 225 | 33.6 48.1 62.5 | 25 24 21 | 69 76 74 | 1450 | 18.5 | 3.5 | 310 |
| 200 | LSRS150-50I | 140 200 260 | 38.9 55.6 72.2 | 53 50 44 | 68 75 71 | 1450 | 45.0 | 3.5 | 500 |
| 201 | LSRS150-50IA | 131 187 243 | 36.4 51.9 67.5 | 46.6 44 38.3 | 67 74 70 | 1450 | 37.0 | 3.5 | 460 |
| 202 | LSRS150-50IB | 122 174 226.5 | 33.9 48.3 62.9 | 40.5 38 33 | 66 73 69 | 1450 | 30.0 | 3.5 | 435 |
| 203 | LSRS150-50IC | 112 160 208 | 31.1 44.4 57.8 | 34 32 28 | 71 | 1450 | 22.0 | 3.5 | 370 |
| 204 | LSRS150-80I | 140 200 260 | 38.9 55.6 72.2 | 84 80 75 | 62 69 67 | 1450 | 75.0 | 3.5 | 1050 |
| 205 | LSRS150-80IA | 131 187 243 | 36.4 51.9 67.5 | 73 70.5 66 | 61 68 66 | 1450 | 75.0 | 3.5 | 900 |
| 206 | LSRS150-80IB | 122 174 226.5 | 33.9 48.3 62.9 | 65 62 58 | 60 66 64 | 1450 | 55.0 | 3.5 | 780 |
| 207 | LSRS150-80IC | 112 160 208 | 31.1 44.4 57.8 | 56.5 54.5 51 | 58 64 62 | 1450 | 45.0 | 3.5 | 650 |
| 208 | LSRS200-12.5 | 140 200 260 | 38.9 55.6 72.2 | 13.8 12.5 10.8 | 68 78 78 | 1450 | 15.0 | 3.0 | 270 |
| 209 | LSRS200-12.5A | 125 179 233 | 34.7 49.7 64.6 | 11 10 8.5 | 66 76 76 | 1450 | 11.0 | 3.0 | 245 |
| 210 | LSRS200-20 | 140 200 260 | 38.9 55.6 72.2 | 21.8 20 17 | 73 79 77 | 1450 | 18.5 | 3.0 | 310 |
| 211 | LSRS200-20A | 129 184 240 | 35.8 51.2 66.7 | 18.5 17 14.4 | 72 78 76 | 1450 | 15.0 | 3.0 | 365 |
| 212 | LSRS200-20B | 117 167 217.5 | 32.5 46.4 60.4 | 15.2 14 12 | 71 76 74 | 1450 | 11.0 | 3.0 | 245 |
| 213 | LSRS200-32 | 140 200 260 | 38.9 55.6 72.2 | 33.8 32 28 | 70 78 78 | 1450 | 30.0 | 3.5 | 420 |
| 214 | LSRS200-32A | 131 187 243 | 36.4 51.9 67.5 | 29.5 27 24.5 | 69 77 78 | 1450 | 22.0 | 3.5 | 350 |
| 215 | LSRS200-32B | 121 173 225 | 33.6 48.1 62.5 | 25 24 21 | 69 76 73 | 1450 | 18.5 | 3.5 | 320 |
| 216 | LSRS200-50 | 140 200 260 | 38.9 55.6 72.2 | 53 50 44 | 68 75 71 | 1450 | 45.0 | 3.5 | 495 |
| 217 | LSRS200-50A | 131 187 243 | 36.4 51.9 67.5 | 46.6 44 38.3 | 67 74 70 | 1450 | 37.0 | 3.5 | 460 |
| 218 | LSRS200-50B | 122 174 226.5 | 33.9 48.3 62.9 | 40.5 38 33 | 73 | 1450 | 30.0 | 3.5 | 445 |
| 219 | LSRS200-50C | 112 160 208 | 31.1 44.4 57.8 | 34 32 28 | 71 | 1450 | 22.0 | 3.5 | 380 |
| 220 | LSRS200-12.5 | 280 400 520 | 77.8 111.1 144 | 13.4 12.5 10.5 | 70 80 79 | 1450 | 22.0 | 4.0 | 385 |
| 221 | LSRS200-12.5A | 250 358 465 | 69.4 99.4 129.2 | 10.7 10 8.5 | 68 78 77 | 1450 | 18.5 | 4.0 | 470 |
| 222 | LSRS200-20 | 280 400 520 | 77.8 111.1 144 | 22.2 20 14 | 75 80 72 | 1450 | 30.0 | 4.0 | 480 |
| 223 | LSRS200-20A | 250 358 465 | 69.4 99.4 129.2 | 19 17 13 | 73 78 70 | 1450 | 22.0 | 4.0 | 430 |
| 224 | LSRS200-20B | 226 322 419 | 62.8 89.4 116.4 | 15.5 14 10 | 70 75 73 | 1450 | 18.5 | 4.0 | 390 |
| 225 | LSRS200-32 | 280 400 520 | 77.8 111.1 144 | 36 32 26 | 73 80 75 | 1450 | 55.0 | 4.0 | 680 |
| 226 | LSRS200-32A | 262 374 486 | 72.8 103.9 135 | 31.5 28 23 | 72 79 74 | 1450 | 45.0 | 4.0 | 560 |
| 227 | LSRS200-32B | 242 346 450 | 67.2 96.1 125 | 27.5 24 18.5 | 78 | 1450 | 37.0 | 4.0 | 535 |
| 228 | LSRS200-50 | 280 400 520 | 77.8 111.1 144 | 54.5 50 39 | 75 81 77 | 1450 | 75.0 | 4.0 | 835 |
| 229 | LSRS200-50A | 262 352 486 | 72.8 103.9 135 | 48 44 35 | 73 80 75 | 1450 | 75.0 | 4.0 | 835 |
| 230 | LSRS200-50B | 242 346 450 | 67.2 96.1 125 | 42 38 29.6 | 72 78 74 | 1450 | 55.0 | 4.0 | 700 |
| 231 | LSRS200-50C | 224 320 416 | 62.2 88.9 115.6 | 34.9 32 25 | 70 76 72 | 1450 | 45.0 | 4.0 | 585 |
| 232 | LSRS200-80 | 280 400 520 | 77.8 111.1 144 | 87 80 72 | 73 80 77 | 1450 | 132.0 | 4.0 | 1565 |
| 233 | LSRS200-80A | 262 374 486 | 72.8 103.9 135 | 76 70 63 | 72 79 76 | 1450 | 110.0 | 4.0 | 1415 |
| 234 | LSRS200-80B | 242 346 450 | 67.2 96.1 125 | 65 60 54 | 71 78 75 | 1450 | 90.0 | 4.0 | 1290 |
| 235 | LSRS200-80C | 224 320 416 | 62.2 88.9 115.6 | 62 56 48 | 70 76 74 | 1450 | 75.0 | 4.0 | 1050 |
| 236 | LSRS200-125 | 280 400 520 | 77.8 111.1 144.4 | 135 125 104 | 79 | 1450 | 200.0 | 4.0 | 1680 |
| 237 | LSRS200-125A | 256 352 448 | 71.1 97.8 125 | 120 112 88 | 78 | 1450 | 200.0 | 4.0 | 1680 |
| 238 | LSRS200-125B | 224 320 416 | 62.2 88.9 115.6 | 104 96 72 | 77 | 1450 | 132.0 | 4.0 | 1450 |
| 239 | LSRS250-12.5 | 400 650 670 | 111.1 152.8 186.1 | 13.5 12.5 11 | 78 82 78 | 1450 | 30.0 | 4.0 | 550 |
| 240 | LSRS250-12.5A | 368 506 607 | 102.2 140.6 168.7 | 11.6 10.8 9.5 | 74 80 76 | 1450 | 22.0 | 5.0 | 500 |
| 241 | LSRS250-20 | 400 550 670 | 111.1 152.8 186.1 | 22.5 20 16 | 78 82 84 | 1450 | 45.0 | 5.0 | 620 |
| 242 | LSRS250-20A | 368 506 607 | 102.2 140.6 168.7 | 19.5 17 14.6 | 80 | 1450 | 37.0 | 5.0 | 550 |
| 243 | LSRS250-32 | 400 550 670 | 111.1 152.8 186.1 | 36 32 26 | 77 80 81 | 1450 | 75.0 | 5.0 | 915 |
| 244 | LSRS250-32A | 368 506 607 | 102.2 140.6 168.7 | 31.5 28 23 | 78 | 1450 | 55.0 | 5.0 | 840 |
| 245 | LSRS250-32B | 339 466 559 | 94 129.3 155.2 | 26.5 25 20 | 76 | 1450 | 45.0 | 5.0 | 695 |
| 246 | LSRS250-50 | 400 550 670 | 111.1 152.8 186.1 | 54.5 50 39 | 69 76 72 | 1450 | 110.0 | 5.0 | 1557 |
| 247 | LSRS250-50A | 368 506 607 | 102.2 140.6 168.7 | 48 44 35.5 | 68 74 70 | 1450 | 90.0 | 5.0 | 1055 |
| 248 | LSRS250-50B | 339 466 559 | 94 129.3 155.2 | 43 39.5 32.5 | 66 72 68 | 1450 | 75.0 | 5.0 | 910 |
| 249 | LSRS250-50C | 311 428 514 | 86.5 119 142.8 | 38 35 28 | 63 69 65 | 1450 | 75.0 | 5.0 | 910 |
| 250 | LSRS250-70 | 400 550 670 | 111.1 152.8 186.1 | 76 70 63 | 75 76 78 | 1450 | 160.0 | 5.0 | 1545 |
| 251 | LSRS250-70A | 368 506 607 | 102.2 140.6 168.7 | 65 60 54 | 74 75 77 | 1450 | 132.0 | 5.0 | 1355 |
| 252 | LSRS250-70B | 339 466 559 | 94 129.3 155.2 | 55 50 42 | 73 74 74 | 1450 | 90.0 | 5.0 | 1055 |
| 253 | LSRS250-70C | 311 428 514 | 86.5 119 142.8 | 49.5 44 38 | 71 72 73 | 1450 | 75.0 | 5.0 | 965 |
| 254 | LSRS250-80 | 500 550 670 | 111.1 152.8 186.1 | 84 80 70 | 73 77 75 | 1450 | 200.0 | 5.0 | 1750 |
| 255 | LSRS250-80A | 368 506 670 | 102.2 140.6 168.7 | 75 71 62.5 | 72 75 74 | 1450 | 160.0 | 5.0 | 1560 |
| 256 | LSRS250-80B | 339 465 559 | 94 129.3 155.2 | 66.5 63.5 55.5 | 70 73 72 | 1450 | 132.0 | 5.0 | 1420 |
| 257 | LSRS250-80C | 311 428 514 | 86.5 119 142.8 | 58 55 48.5 | 69 71 70 | 1450 | 110.0 | 5.0 | 1350 |
| 258 | LSRS300-12.5 | 500 720 860 | 138.9 200 238.9 | 13.5 12.5 10.5 | 78 83 78 | 1450 | 37.0 | 5.0 | 985 |
| 259 | LSRS300-12.5A | 460 662 791 | 127.8 184 219.8 | 12 11 9.3 | 77 82 77 | 1450 | 30.0 | 5.0 | 925 |
| 260 | LSRS300-18 | 480 720 800 | 133.3 200 250 | 20 18 15.5 | 77 81 74 | 1450 | 55.0 | 5.0 | 1135 |
| 261 | LSRS300-18A | 438 607 821 | 121.7 182.5 228.1 | 16.5 15 13 | 75 79 72 | 1450 | 45.0 | 5.0 | 1040 |
| 262 | LSRS300-18B | 400 600 750 | 111.1 167.0 208.3 | 14 12.5 11 | 73 77 70 | 1450 | 37.0 | 5.0 | 900 |
| 263 | LSRS300-20 | 500 720 900 | 138.9 200 250 | 23 20 16 | 80 73 84 | 1450 | 55.0 | 5.0 | 900 |
| 264 | LSRS300-20A | 460 662 791 | 127.8 184 219.8 | 20.2 17.5 14.2 | 81 | 1450 | 45.0 | 5.0 | 785 |
| 265 | LSRS300-28 | 480 720 900 | 133.3 200 250 | 31 28 25 | 77 81 77 | 1450 | 75.0 | 5.0 | 1350 |
| 266 | LSRS300-28A | 444 666 833 | 123.3 185 231.4 | 26.5 24 21.5 | 76 80 76 | 1450 | 75.0 | 5.0 | 1350 |
| 267 | LSRS300-28B | 415 623 779 | 115.3 173.1 216.4 | 23 21 18.5 | 79 | 1450 | 55.0 | 5.0 | 1170 |
| 268 | LSRS300-32 | 500 720 900 | 138.9 200 250 | 36 32 26 | 79 82.5 84 | 1450 | 90.0 | 5.0 | 1350 |
| 269 | LSRS300-32A | 460 662 791 | 127.8 184 219.8 | 30.5 28 23.5 | 74 80 74 | 1450 | 75.0 | 5.0 | 1250 |
| 270 | LSRS300-32B | 423 609 728 | 117.6 169.3 202.2 | 25.5 23.5 20 | 72 78 73 | 1450 | 55.0 | 5.0 | 1080 |
| 271 | LSRS300-44 | 480 720 900 | 133.3 200 250 | 48 44 34 | 76 84 82 | 1450 | 132.0 | 5.0 | 1900 |
| 272 | LSRS300-44A | 444 666 833 | 123.3 185 231.4 | 41.4 38 30 | 80 | 1450 | 110.0 | 5.0 | 1700 |
| 273 | LSRS300-44B | 409 614 767 | 113.6 170.6 213.1 | 35 32 25 | 78 | 1450 | 90.0 | 5.0 | 1550 |
| 274 | LSRS300-50 | 500 720 900 | 138.9 200 250 | 54.5 50 42 | 75 80 78 | 1450 | 132.0 | 5.5 | 1725 |
| 275 | LSRS300-50A | 460 662 791 | 127.8 184 219.8 | 47 44 36.5 | 74 79 77 | 1450 | 110.0 | 5.5 | 1520 |
| 276 | LSRS300-50B | 423 609 728 | 117.6 169.3 202.2 | 41 38 32 | 72 77 75 | 1450 | 90.0 | 5.5 | 1400 |
| 277 | LSRS300-50C | 389 561 670 | 108.2 155.7 186 | 35.5 33 27.5 | 69 74 72 | 1450 | 75.0 | 5.5 | 1250 |
| 278 | LSRS300-65 | 500 720 900 | 138.9 200 250 | 71 65 58 | 75 81 82 | 1450 | 200.0 | 5.5 | 2150 |
| 279 | LSRS300-65A | 460 662 791 | 127.8 184 219.8 | 60 55 49 | 74 80 81 | 1450 | 160.0 | 5.5 | 1730 |
| 280 | LSRS300-65B | 423 609 728 | 117.6 169.3 202.2 | 49 45 35 | 73 79 80 | 1450 | 110.0 | 5.5 | 1630 |
| 281 | LSRS300-65C | 389 561 670 | 108.2 155.7 186 | 42 38 30 | 72 78 79 | 1450 | 90.0 | 5.5 | 1500 |
| 282 | LSRS300-80 | 500 720 900 | 138.9 200 250 | 84 80 72 | 74 80 75 | 1450 | 250.0 | 5.5 | 2280 |
| 283 | LSRS300-80A | 460 662 791 | 127.8 184 219.8 | 74 70.5 63.5 | 73 79 74 | 1450 | 200.0 | 5.5 | 2150 |
| 284 | LSRS300-80B | 423 609 728 | 117.6 169.3 202.2 | 65 62 56 | 71 77 72 | 1450 | 160.0 | 5.5 | 1980 |
| 285 | LSRS300-80C | 389 561 670 | 108.2 155.7 186 | 57 54.5 49 | 68 75 70 | 1450 | 132.0 | 5.5 | 1850 |
| 286 | LSRS350-12.5 | 718 1080 1345 | 199.4 300 373.6 | 15 12.5 11 | 75 83 81 | 970 | 55.0 | 5.5 | 1200 |
| 287 | LSRS350-12.5A | 663 995 1245 | 184.2 276.4 345.8 | 12 10 8.5 | 72 81 79 | 970 | 45.0 | 5.5 | 1020 |
| 288 | LSRS350-20 | 718 1080 1345 | 199.4 300 373.6 | 23.5 20 18 | 76 82 80 | 970 | 90.0 | 5.5 | 1450 |
| 289 | LSRS350-20A | 663 995 1245 | 184.2 376.4 345.8 | 20 17 15 | 74 80 78 | 970 | 75.0 | 5.5 | 1320 |
| 290 | LSRS350-20B | 620 931 1165 | 172.2 258.6 323.6 | 17.5 15 13 | 71 78 77 | 970 | 55.0 | 5.5 | 1150 |
| 291 | LSRS350-32 | 718 1080 1345 | 199.4 300 373.6 | 36.4 32 28.5 | 79 83 78 | 1450 | 132.0 | 5.5 | 2150 |
| 292 | LSRS350-32A | 663 995 1245 | 184.2 276.4 345.6 | 30.5 27 25 | 74 81 76 | 1450 | 110.0 | 5.5 | 2000 |
| 293 | LSRS350-32B | 620 931 1165 | 172.2 258.6 323.6 | 26.5 24 21 | 73 79 75 | 1450 | 90.0 | 5.5 | 1850 |
| 294 | LSRS350-40 | 718 1080 1345 | 199.4 300 373.6 | 44.6 40 34.6 | 82 | 1450 | 160.0 | 5.5 | 1700 |
| 295 | LSRS350-40A | 642 965 1200 | 178.6 268.1 334.2 | 35.7 32 27.7 | 80 | 1450 | 132.0 | 5.5 | 1500 |
| 296 | LSRS350-40B | 600 900 1120 | 166.7 250 311.4 | 31.2 28.2 24.6 | 78 | 1450 | 110.0 | 5.5 | 1300 |
| 297 | LSRS350-50 | 718 1080 1345 | 199.4 300 373.6 | 54.7 50 44.2 | 78 83 77 | 1450 | 200.0 | 5.5 | 2300 |
| 298 | LSRS350-50A | 663 995 1245 | 184.2 276.4 345.8 | 48.3 44 36.8 | 77 81 76 | 1450 | 160.0 | 5.5 | 2100 |
| 299 | LSRS350-50B | 620 931 1165 | 172.2 258.6 323.6 | 42.5 38 32.3 | 79 | 1450 | 132.0 | 5.5 | 1950 |
| 300 | LSRS350-60 | 718 1080 1345 | 199.4 300 373.6 | 64.8 60 55 | 82 | 1450 | 250.0 | 5.5 | 2500 |
| 301 | LSRS350-60A | 663 995 1245 | 184.2 376.4 345.8 | 59.2 54 48 | 80 | 1450 | 200.0 | 5.5 | 2250 |
| 302 | LSRS350-60B | 620 931 1165 | 172.2 258.6 323.6 | 51.3 46.9 41.3 | 78 | 1450 | 160.0 | 5.5 | 2100 |
| 303 | LSRS350-12.5I | 1000 1200 1450 | 277.8 33.3 402.8 | 13.5 12.5 10.5 | 76 80 77 | 970 | 55.0 | 6.0 | 1250 |
| 304 | LSRS350-12.5IA | 900 1080 1300 | 250 300 361 | 11.5 10.5 9 | 76 80 76 | 970 | 45.0 | 6.0 | 1150 |
| 305 | LSRS350-20I | 1000 1200 1450 | 277.8 333.3 402.8 | 23 20 16 | 76 80 76 | 970 | 90.0 | 6.0 | 1580 |
| 306 | LSRS350-20IA | 900 1080 1300 | 250 300 361 | 19 17 14 | 73 78 74 | 970 | 75.0 | 6.0 | 1350 |
| 307 | LSRS350-32I | 1000 1200 1450 | 277.8 333.3 402.8 | 36 32 26 | 74 78 75 | 1450 | 160.0 | 6.0 | 1870 |
| 308 | LSRS350-32IA | 900 1080 1300 | 250 300 361 | 31.5 28 23 | 72 76 73 | 1450 | 132.0 | 6.0 | 1720 |
| 309 | LSRS350-32IB | 745 985 1182 | 207 273 328 | 27 25 20 | 71 75 72 | 1450 | 110.0 | 6.0 | 1650 |
| 310 | LSRS350-50I | 1000 1200 1450 | 277.8 333.3 402.8 | 55 50 43 | 70 74 72 | 1450 | 250.0 | 6.0 | 2350 |
| 311 | LSRS350-50IA | 900 1080 1300 | 250 300 361 | 47.5 44 38 | 68 72 70 | 1450 | 200.0 | 6.0 | 2100 |
| 312 | LSRS350-50IB | 745 985 1182 | 207 273 328 | 42 38.5 34 | 60 70 68 | 1450 | 160.0 | 6.0 | 2000 |
起动前准备
1、用手拨转泵轴或泵联轴器,叶轮应无卡磨现象,转动灵活。
2、打开进口阀门,打开排气阀使液体充满整个泵腔,然后关闭排气阀。^
3、用手盘动泵轴以使润滑液进入机械密封端面。
4、点动电机,确定转向是否正确。
起动与运行
1、全开进口阀门,关闭吐出管路阀门。
2、接通电源,当泵达到正常转速后,再逐渐打开吐出管路上阀门,并调节到所需工况。
3、注意观察仪表读数,检查轴封泄漏情况,正常时机械密封泄漏量≤3滴/分,检査电机、轴承处温升≤70℃,如果发现异常情况,应及时处理。
停车
1、逐渐关闭吐出管路阀门,切断电源。
2、关闭进口阀门。
3、如环境温度低于0℃,应将泵内液体放尽,以免冻裂。
4、如长期停用.应将泵拆卸清洗.包装保管。
进口立式热水离心泵运行中的维护与保养
1、迸水管路必须高度密封。
2、禁止泵在汽蚀状态下长期运行。
3、禁止离心泵在大流量运行时,电机超电流长期运行。
4、定时检査泵运行中电机电流值,不得超过电机额定电流。
5、泵在运行过程中应有专人看管,以免发生意外。
6、泵每运行500小时应对轴承迸行加油。电机功率大于11KW配有加油装置.可用高压油枪直接注入,以保证轴承润滑优良。
7、泵迸行长期运行后,由于机械磨损,使机组噪声及振动增大吋,应停车检査,必要吋可更換易损零件及轴承,机组大修期一般为一年。
机械密封维护与保养
1-机械密封润滑应清洁无固体颗粒。2、严禁机械密封在干磨惰况下工作。
3、起动前应盘动泵(电机)几圈,以免突然起动造成密封环断裂损坏。
| 故障现象 | 可能产生的原因 | 排除方法 |
| 1.水泵不出水 | a.进出口阀门未打开,进同管路阻塞,叶轮流道阻塞。 b.电机运行方向不对,电机缺相。 c.吸入管漏气。 d.泵没灌满液体,泵腔内有空气。 e.进口供水不足,吸程过高,底阀漏水。 f.管路阻力过大。 | a.检查,去除阻塞物。 b.调整电机方向,紧固电机接线, c.拧紧各密封面,排除空气。 d.打开泵上盖或打开排气阀,排尽空气。 e.停机检查、调整(并网自来水管和带吸程使用易出现此现象)。 f.减少管路弯道,重新选泵。 |
| 2.水泵流量不足 | a.先按1.原因检查。 b.管道、叶轮流道部分阻塞,水垢沉积、阀门开度不足。 c.电压偏低,转速不符合要求。 d.叶轮磨损。 | a.先按1.排除。 b.去除阻塞物,重新调整阀门开度。 c.稳压。 d.更换叶轮。 |
| 3.功率过大 | a.超过额定流量使用。 b.吸程过高。 c.泵轴承磨损。 d.泵选型不当。 | a.调节流量关小出口阀门。 b.降低吸程。 c.更换轴承。 d.重新选泵。, |
| 4.杂音振动 | a.管路支撑不稳。 b.液体混有气体。 c.产生汽蚀。 d.轴承损坏。 e.电机超载发热运行。 | a.稳固管路。 b.提高吸入压力、排气。 c.降低真空度。 d.更换轴承。 e.调整按5. |
| 5.电机发热 | a.流量过大,超载运行。 b.碰擦。 c.电机轴承损坏。 d.电压偏低。 | a.关小出口阀。 b.检查排除。 c.更换轴承。 d.稳压。 |
| 6.水泵漏水 | a.机械密封磨损。 b.泵体有砂孔或破裂。 c.密封面不平整。 d.安装螺检松懈。 | a.更换。 b.焊补或更换。 c.修整。 d.紧固。 |